Carrier Aquazone 50WD handleiding
Handleiding
Je bekijkt pagina 43 van 84

43
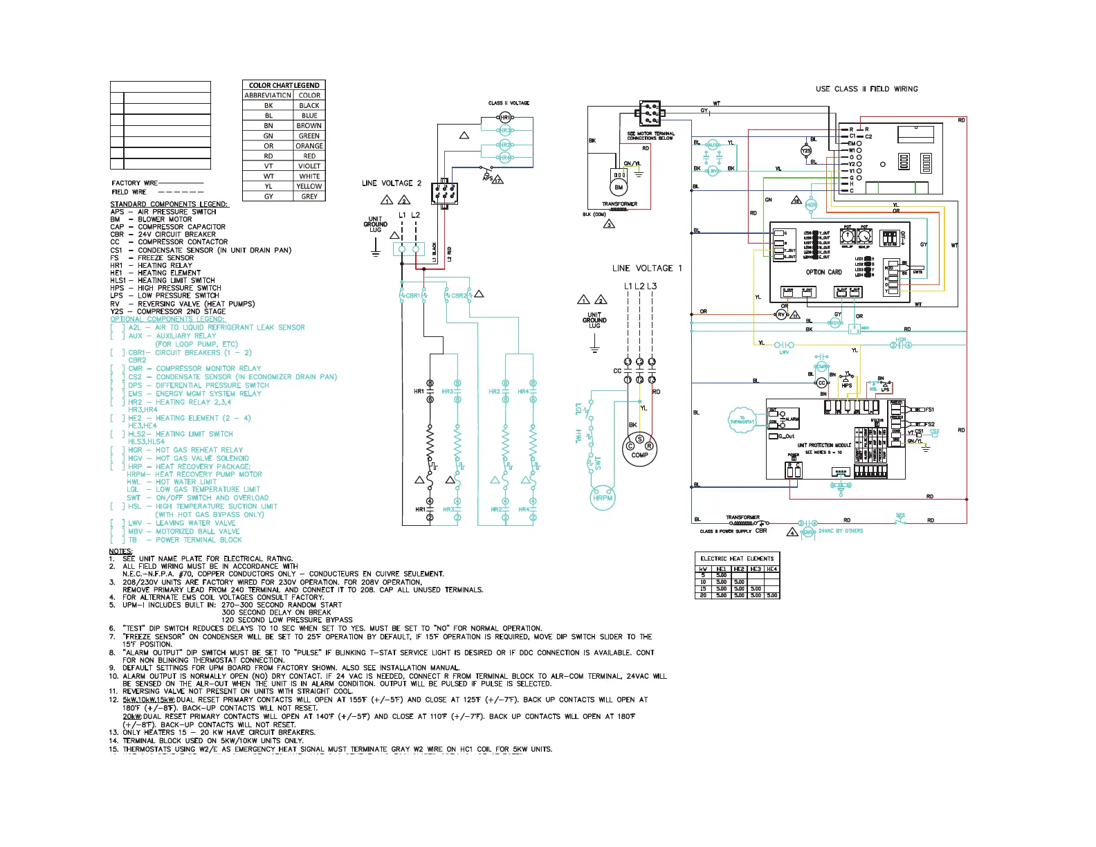
Fig. 40 — Three Phase, Constant Airflow ECM Motor, Dual Power Point, Option Card (WSE, HGRH, Boilerless Heat), Two-Stage Unit (2-6 tons)
UPM STATUS LED - BLINK CODES
1
HIGH PRESSURE FAULT
2
LOW PRESSURE FAULT
3
CONDENSER FREEZE CONDITION
4 CONDENSATE OVERFLOW FAULT
5 BROWN OUT FAULT
6 EVAPORATOR FREEZE CONDITION
7
REFRIGERANT LEAKAGE
THERMOSTAT
R C G O Y1 Y2 W1 W2 H C
CFM
ADJUST
TO ECM MOTOR
A
B
C
D
NORM
(+)
(-)
TEST
YES
HGRH
NO
CFM
TB1
HEATER PACKAGE WIRE HARNESS PLUG
CONNECTED TO MAIN CONTROL BOX
GREY -W2
WHITE -W1
BLUE -C
NOTE: L1 AND L2 PROVIDE POWER TO
CONTROL TRANSFORMER AND BLOWER MOTOR
HEATER CIRCUIT 3
HEATER CIRCUIT 1
HLS1
HE1
HLS3
HE3
13
L2
L1
RED
BLACK
BLACK
RED
RED
14
15
1212
HEATER CIRCUIT 4
HEATER CIRCUIT 2
HLS2
HE2
HLS4
HE4
L2
L1
RED
BLACK
BLACK
RED
RED
1212
BLACK
BLACK
8733841697
Bekijk gratis de handleiding van Carrier Aquazone 50WD, stel vragen en lees de antwoorden op veelvoorkomende problemen, of gebruik onze assistent om sneller informatie in de handleiding te vinden of uitleg te krijgen over specifieke functies.
Productinformatie
Merk | Carrier |
Model | Aquazone 50WD |
Categorie | Niet gecategoriseerd |
Taal | Nederlands |
Grootte | 15865 MB |