Carrier WeatherMaker 50FE handleiding

72 pagina's
PDF beschikbaar

Handleiding

Je bekijkt pagina 36 van 72
36
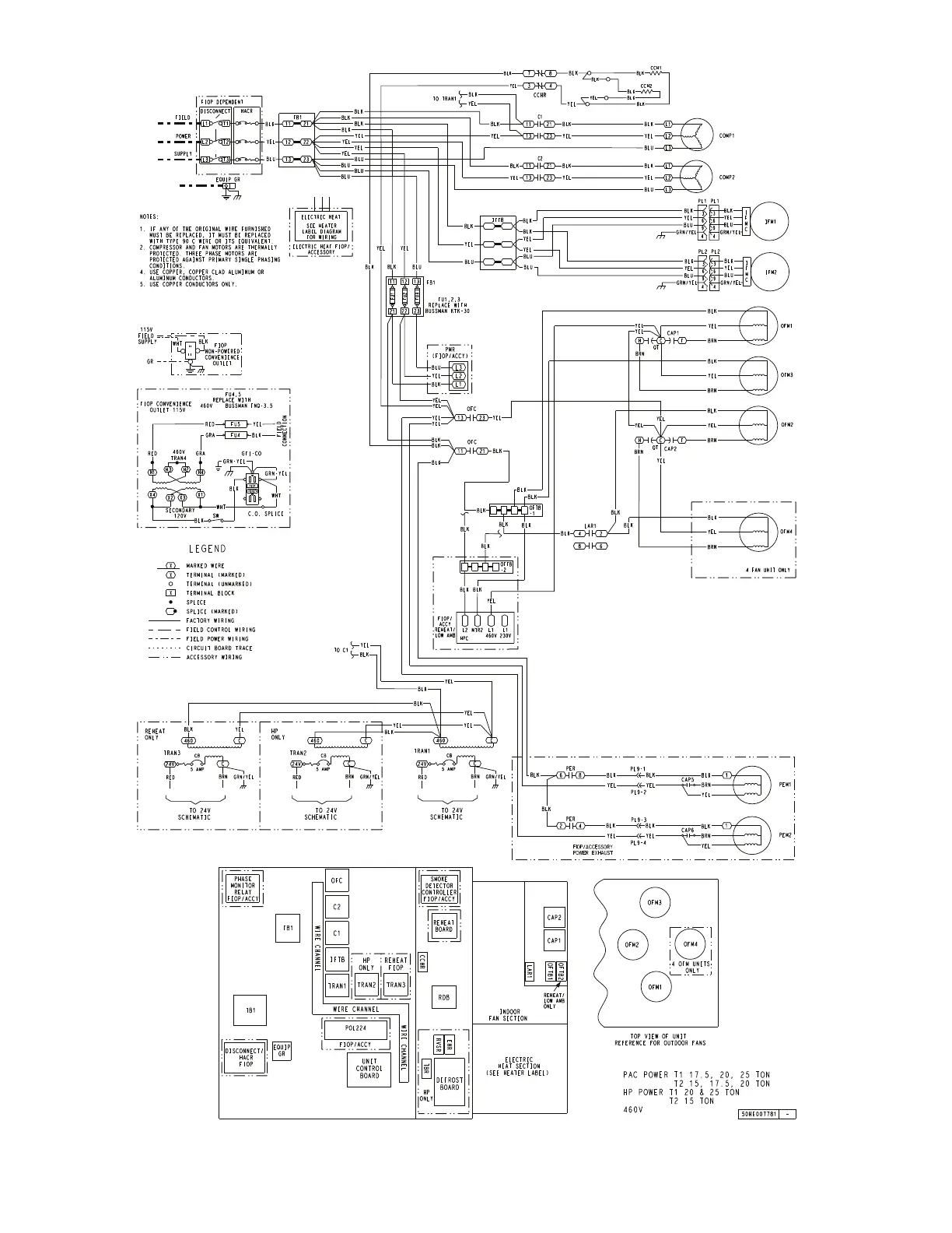
Fig. 58 — Typical 50FE-*20-28 Power Wiring Diagram, Electromechanical Controller

Bekijk gratis de handleiding van Carrier WeatherMaker 50FE, stel vragen en lees de antwoorden op veelvoorkomende problemen, of gebruik onze assistent om sneller informatie in de handleiding te vinden of uitleg te krijgen over specifieke functies.

Productinformatie

MerkCarrier
ModelWeatherMaker 50FE
CategorieNiet gecategoriseerd
TaalNederlands
Grootte9321 MB