Carrier WeatherMaker 50FC handleiding

68 pagina's
PDF beschikbaar

Handleiding

Je bekijkt pagina 37 van 68
37
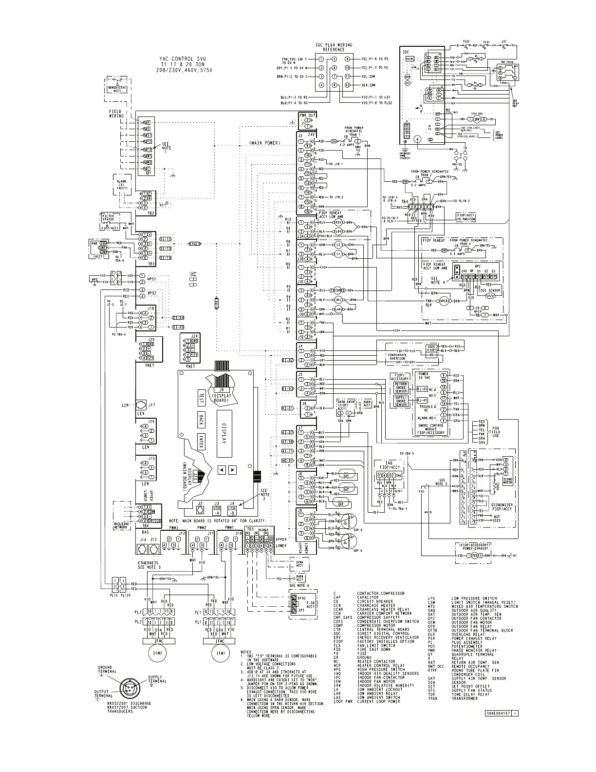
Fig. 59 — Typical 50FC-*20-24 Control Wiring Diagram, SystemVu™ Controller

Bekijk gratis de handleiding van Carrier WeatherMaker 50FC, stel vragen en lees de antwoorden op veelvoorkomende problemen, of gebruik onze assistent om sneller informatie in de handleiding te vinden of uitleg te krijgen over specifieke functies.

Productinformatie

MerkCarrier
ModelWeatherMaker 50FC
CategorieNiet gecategoriseerd
TaalNederlands
Grootte8511 MB