Carrier Aquazone 50WD handleiding
Handleiding
Je bekijkt pagina 35 van 84

35
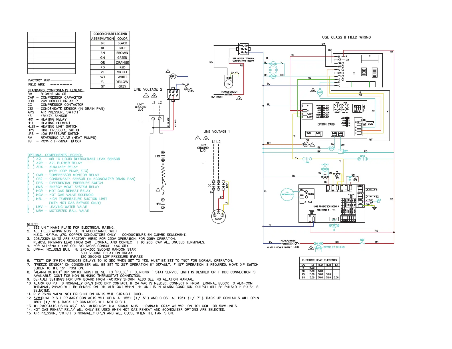
Fig. 32 — Single Phase, Constant Airflow ECM Motor, E-Heat, Dual Point Power, Option Card (WSE, HGRH, Boilerless Heat), (1.5 ton)
UPM STATUS LED - BLINK CODES
1
HIGH PRESSURE FAULT
2
LOW PRESSURE FAULT
3
CONDENSER FREEZE CONDITION
4 CONDENSATE OVERFLOW FAULT
5 BROWN OUT FAULT
6 EVAPORATOR FREEZE CONDITION
7 REFRIGERANT LEAKAGE
THERMOSTAT
R C G O Y1 Y2 W1 W2 H C
CFM
ADJUST
TO ECM MOTOR
A
B
C
D
NORM
(+)
(-)
TEST
YES
HGRH
NO
CFM
TB1
HEATER PACKAGE WIRE HARNESS PLUG
CONNECTED TO MAIN CONTROL BOX
WHITE -W1
NOTE: L1 AND L2 PROVIDE POWER TO
CONTROL TRANSFORMER AND BLOWER MOTOR
HEATER CIRCUIT 1
HLS1
HE1
L2
L1
RED
BLACK
RED
13
12
BLUE -C
8733841685
Bekijk gratis de handleiding van Carrier Aquazone 50WD, stel vragen en lees de antwoorden op veelvoorkomende problemen, of gebruik onze assistent om sneller informatie in de handleiding te vinden of uitleg te krijgen over specifieke functies.
Productinformatie
Merk | Carrier |
Model | Aquazone 50WD |
Categorie | Niet gecategoriseerd |
Taal | Nederlands |
Grootte | 15865 MB |