Carrier Aquazone 50WD handleiding
Handleiding
Je bekijkt pagina 33 van 84

33
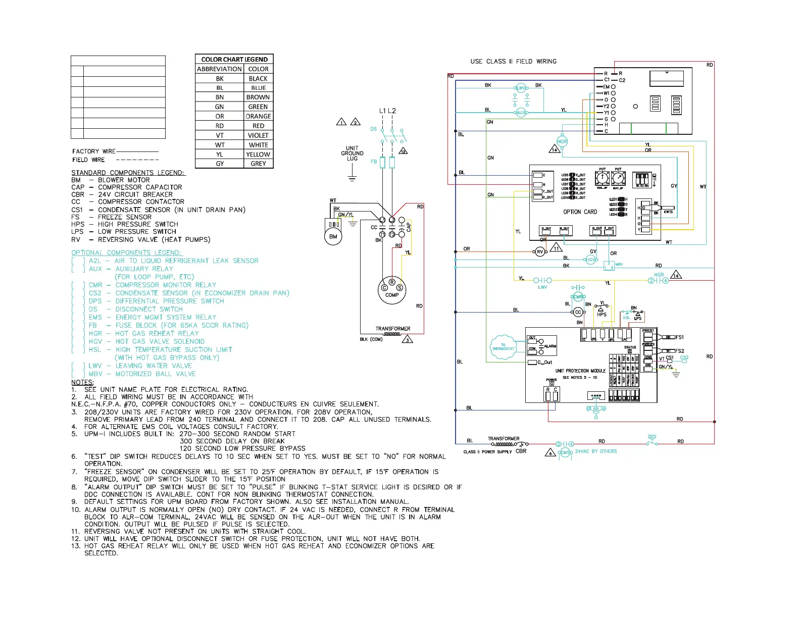
Fig. 30 — Single Phase, Constant Airflow ECM Motor, Option Card (WSE, HGRH, Boilerless Heat), Single Stage (1.25 - 1.5 tons)
UPM STATUS LED - BLINK CODES
1
HIGH PRESSURE FAULT
2
LOW PRESSURE FAULT
3
CONDENSER FREEZE CONDITION
4 CONDENSATE OVERFLOW FAULT
5
BROWN OUT FAULT
6 EVAPORATOR FREEZE CONDITION
7 REFRIGERANT LEAKAGE
THERMOSTAT
R C G O Y1 Y2 W1 W2 H C
CFM ADJUST
TO ECM MOTOR
A
B
C
D
NORM
(+)
(-)
TEST
YES
HGRH
NO
CFM
8733841683
Bekijk gratis de handleiding van Carrier Aquazone 50WD, stel vragen en lees de antwoorden op veelvoorkomende problemen, of gebruik onze assistent om sneller informatie in de handleiding te vinden of uitleg te krijgen over specifieke functies.
Productinformatie
Merk | Carrier |
Model | Aquazone 50WD |
Categorie | Niet gecategoriseerd |
Taal | Nederlands |
Grootte | 15865 MB |