Carrier 39S handleiding
Handleiding
Je bekijkt pagina 50 van 64

50
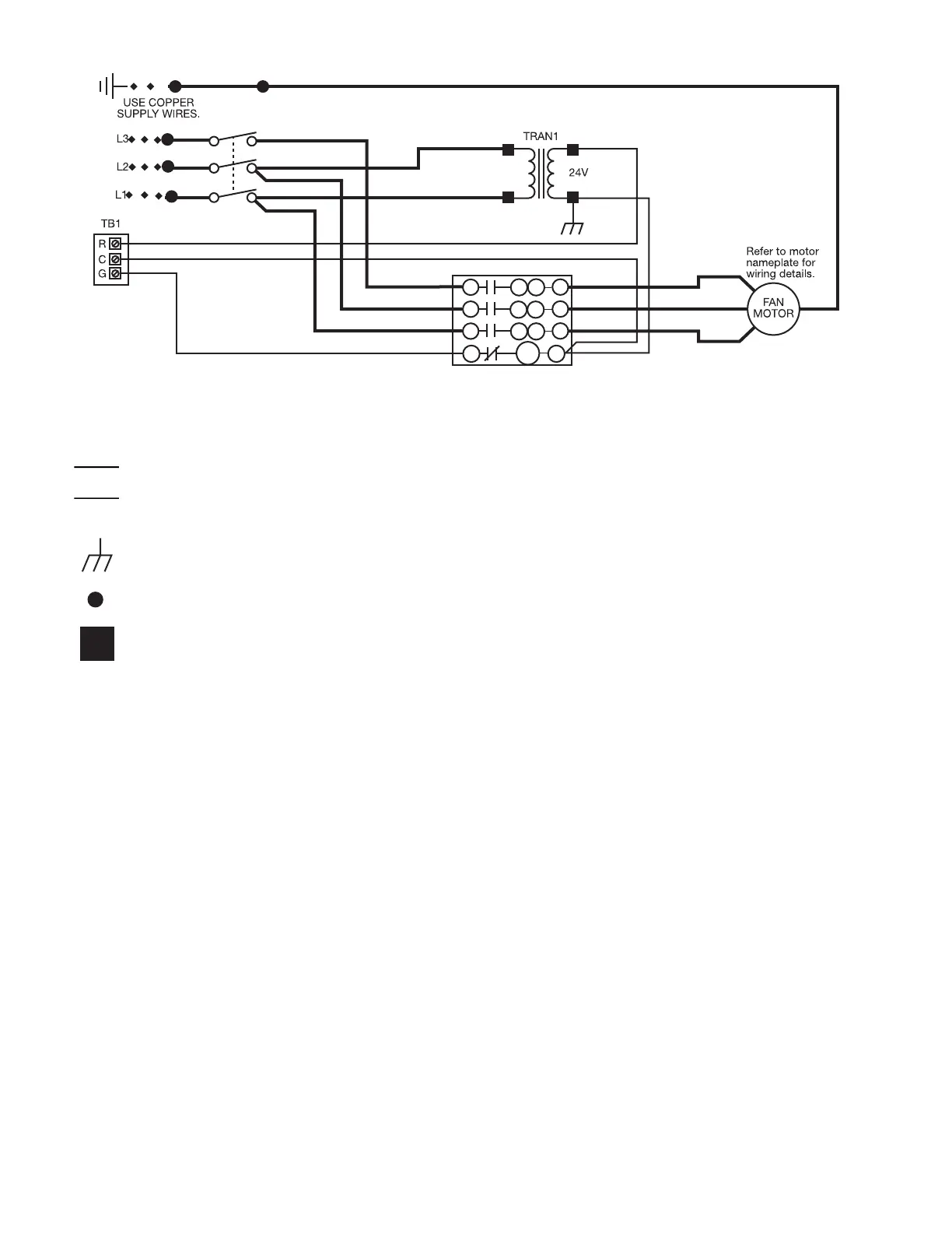
Fig. 70 — Typical Motor Start/Stop Station Wiring
460V
3 Phase
PS 1
GRN/153
RED/152
BLK/151
BLU/136
YEL/131
YEL/135
BLK/133
BLK/134
RED/500
BRN/505
BLK/502
BLU/136
OLR
L1
L2
L3
A
B
FS
T1
YEL/135
BLK/134
BLK/502
GRN/150
GRN/142
GRN/142
YEL/131
BLK/133
RED/500
BRN/501
BRN/505
BRN/501
GRN/143
T2
T3
GRN
570
A39-4490
LEGEND
GND — Ground
TB — Terminal Block
TRAN1 — Transformer
High-Voltage Factory Wiring
Low-Voltage Factory Wiring
- - - - - - Field-Wiring
Chassis Ground
Splice
Connection Point
Bekijk gratis de handleiding van Carrier 39S, stel vragen en lees de antwoorden op veelvoorkomende problemen, of gebruik onze assistent om sneller informatie in de handleiding te vinden of uitleg te krijgen over specifieke functies.
Productinformatie
| Merk | Carrier |
| Model | 39S |
| Categorie | Niet gecategoriseerd |
| Taal | Nederlands |
| Grootte | 10967 MB |







