Vulcan C24DA10 handleiding
Handleiding
Je bekijkt pagina 37 van 65

A. If 24VAC is present, then replace ignition control module and retest. It may take up to 3 seconds for the
module to reset if main power is turned off then back on.
B. If 24VAC is not present, then ensure that transformer is receiving 120VAC input. If ignition control module
transformer is receiving proper voltage, then replace ignition control module transformer and retest.
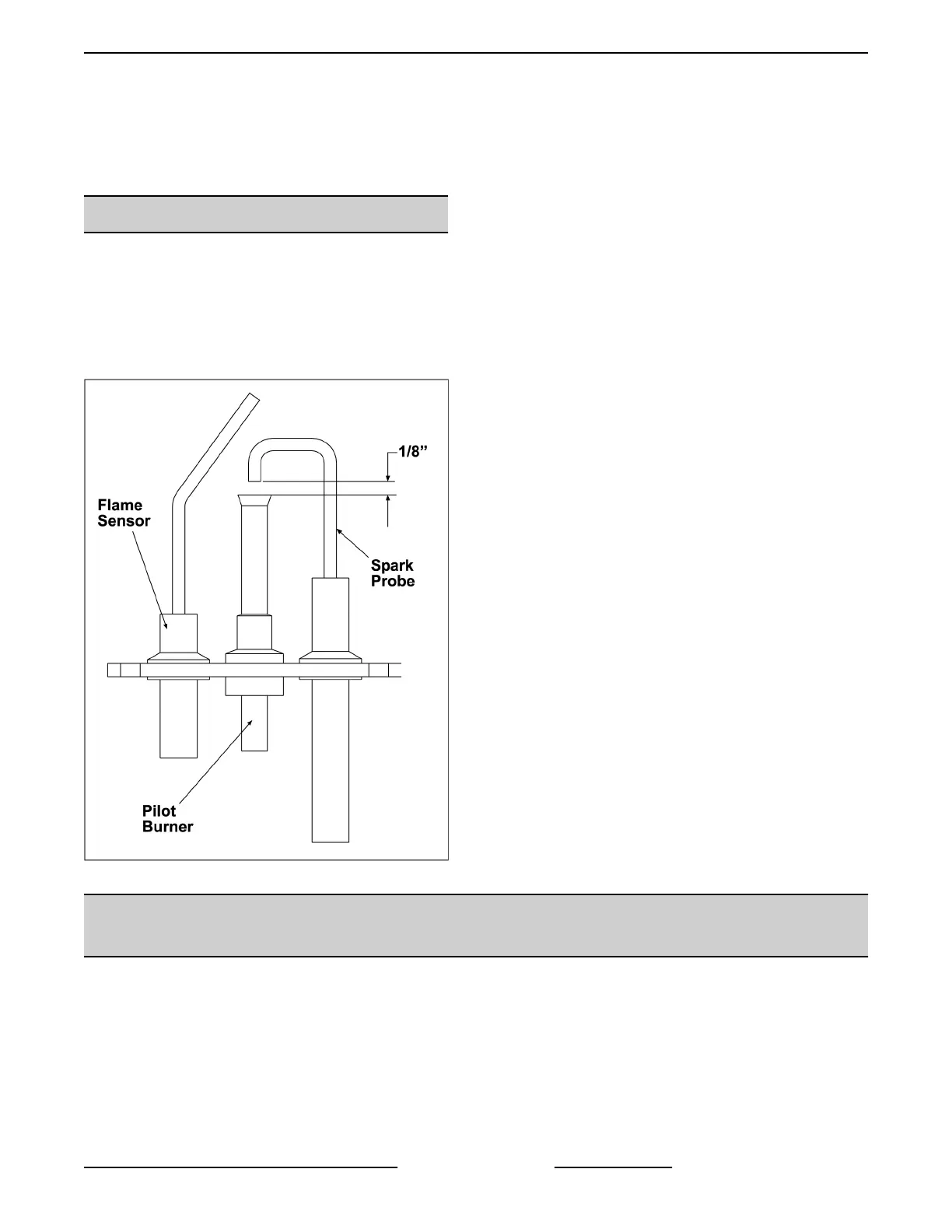
IGNITION TEST
1. The gap between the spark probe and the pilot
burner should be approximately 1/8". If the gap
appears to be excessive or poor sparking is
occurring, remove the electronic ignition pilot and
adjust gap.
PREVIOUS PRODUCTION SHOWN
Fig. 68
PREVIOUS PRODUCTION SHOWN
2. Inspect the ceramic flame rod insulator for cracks
or evidence of exposure to extreme heat, which
can permit leakage to ground. If either of these
conditions exist, then replace the pilot igniter
assembly.
3. Check the ignition cable for tightness or
damaged insulation.
4. 4. Check unit for proper operation.
Inspect the pilot burner orifice. This should be
approximately 1/8" in diameter and free of debris.
MANIFOLD PRESSURE ADJUSTMENT (ONLY UNITS WITH ADJUSTABLE
PILOT)
C24GA AND C24DA SERIES CONVECTION STEAMER - SERVICE PROCEDURES AND ADJUSTMENTS
Page 37 of 65 F35425 Rev. E (0119)
Bekijk gratis de handleiding van Vulcan C24DA10, stel vragen en lees de antwoorden op veelvoorkomende problemen, of gebruik onze assistent om sneller informatie in de handleiding te vinden of uitleg te krijgen over specifieke functies.
Productinformatie
Merk | Vulcan |
Model | C24DA10 |
Categorie | Niet gecategoriseerd |
Taal | Nederlands |
Grootte | 16865 MB |