Vevor PL-80M handleiding
Handleiding
Je bekijkt pagina 6 van 80

- 4 -
* Adjust carbon rod: carbon rod shrinking (fire reduction).
● Rotating the potentiometer to change the power level in accordance with
regarding demand.
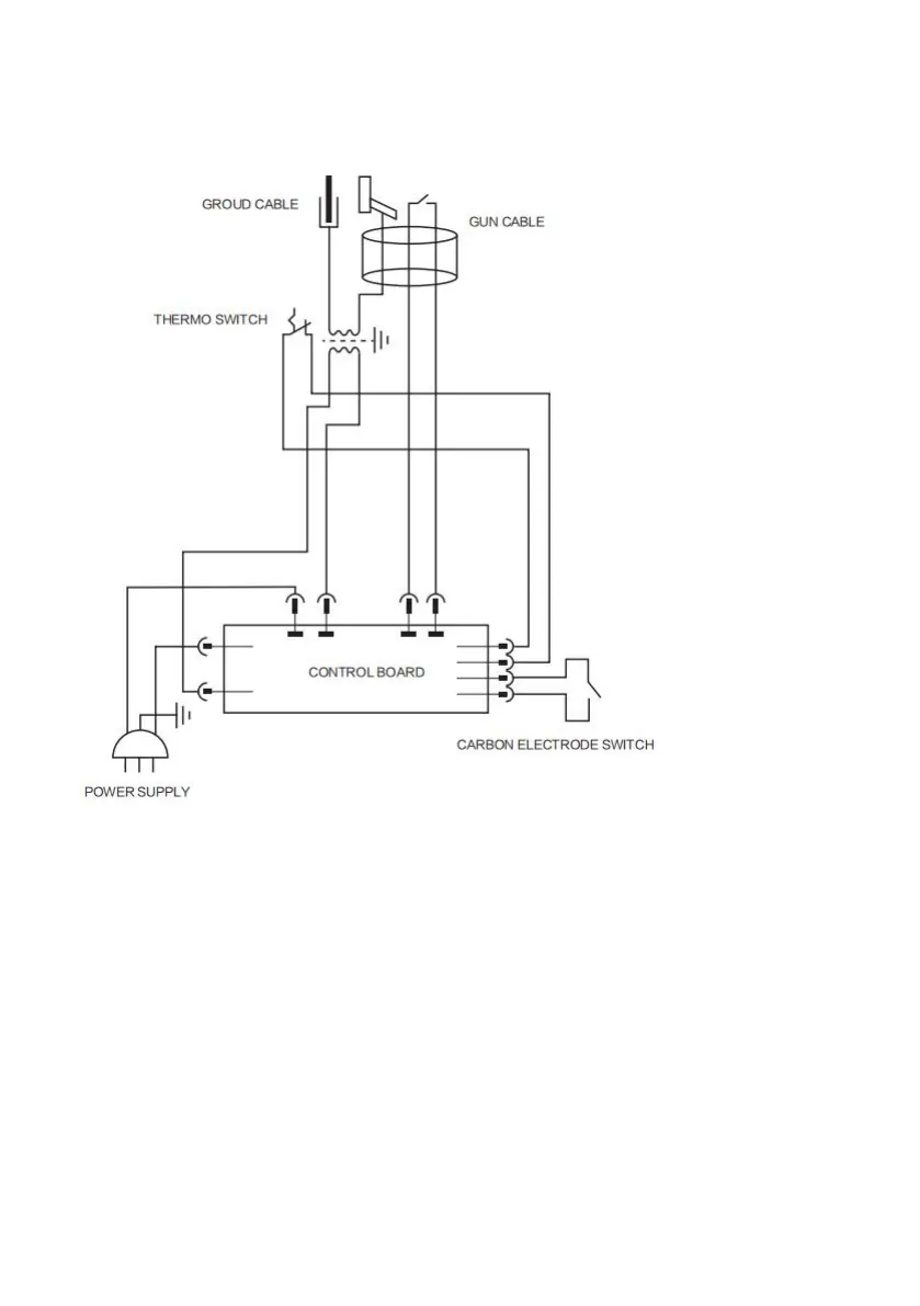
Operation
1-Automatic Arc:
> PL-80M
Adjust the "Carbon Rod" function by the function switch on the panel.
Potentiometer to adjust power,different rotation angle corresponding to
different power.
2-How to operate:
Follow process:
Connect the earth clamp of the generator to the sheet metal to be
straightened and follow the instructions below:
Connect it as close as possible to the place to be welded
Bekijk gratis de handleiding van Vevor PL-80M, stel vragen en lees de antwoorden op veelvoorkomende problemen, of gebruik onze assistent om sneller informatie in de handleiding te vinden of uitleg te krijgen over specifieke functies.
Productinformatie
| Merk | Vevor |
| Model | PL-80M |
| Categorie | Niet gecategoriseerd |
| Taal | Nederlands |
| Grootte | 5353 MB |







