Vevor HMR1200 handleiding
Handleiding
Je bekijkt pagina 18 van 320

- 17 -
7.3 Fuel Check
Engine fuels are highly flammable and can be dangerous if mishandled.
DO NOT smoke while refueling. DO NOT attempt to refuel the trowel if the
engine is hot or running.
7.3.1 Remove the gasoline cap that is located on top of the fuel tank.
7.3.2 Visually inspect to see if fuel level is low. If fuel is low, replenish with
89 Octane gasoline.
7.3.3 When refueling, be sure to use a strainer for filtration. DO NOT top-off
the fuel. Wipe up any spilled fuel.
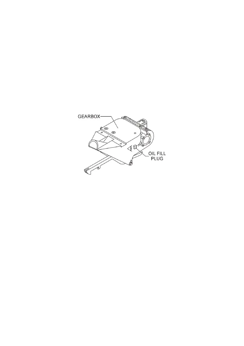
FIG.4
7.4 Gearbox Oil
7.4.1 Determine if the gearbox oil is low by removing the oil plug located on
the side of the
gearbox. This plug will be marked by the "check" decal. See FIG. 4. The
correct level of the lubrication oil should be to the bottom of the fill plug.
7.4.2 If lubrication oil begins to seep out as the drain plug is being removed,
then it can be assumed that the gearbox has a sufficient amount of oil.
7.4.3 If lubrication oil does not seep out as the drain plug is being removed,
fill with type ISO 680 gearbox lubricant oil until the oil filler hole overflows.
7.5 V-Belt Check
A worn or damaged V-belt can adversely affect the performance of your
power trowel. If a V-belt is defective or worn out, simply replace the V-belt
as outlined in the maintenance section of this manual.
Bekijk gratis de handleiding van Vevor HMR1200, stel vragen en lees de antwoorden op veelvoorkomende problemen, of gebruik onze assistent om sneller informatie in de handleiding te vinden of uitleg te krijgen over specifieke functies.
Productinformatie
| Merk | Vevor |
| Model | HMR1200 |
| Categorie | Niet gecategoriseerd |
| Taal | Nederlands |
| Grootte | 59152 MB |







