Valcom VIP-172AL-VRSS-SA handleiding
Handleiding
Je bekijkt pagina 4 van 4

4 947839
R OO2
N/O
N/C
COM
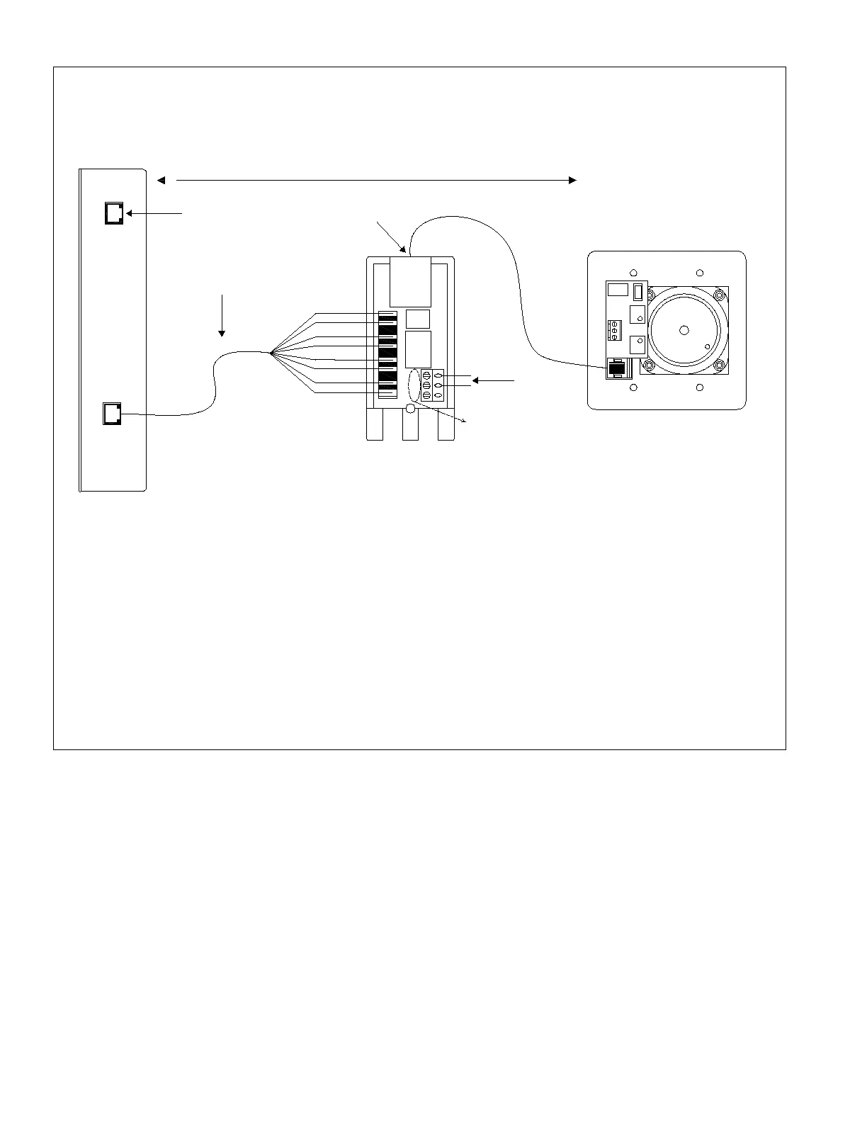
VIP-172AL High Security Relay
Step 4. Connect the RJ45 cable from the network. This
device is powered via Power over Ethernet (PoE).
Step 4
SIGNAL OUTPUT
NETWORK
VIP-172AL
NETWORK
INTERFACE
VIP-172AL
DOOR PLATE
Step 1. An optional relay output is provided for activating
electric door controls, strike plates, gates, etc. A
Normally Open (NO) and Normally Closed (NC)
connection is available. Consult the door equipment
If PoE is unavailable from the network switch then
NC
RJ45
NO = NORMALLY OPEN
COM = COMMON
NC = NORMALLY CLOSED
Pin 1
Pin 8
VIP172-RLY
Step 1
Step 3
Step 5. Program the VIP-172AL using the VIP-102B IP
Quick Start Installation Guide
350' MAXIMUM DISTANCE
Step 2
manufacturer’s documentation for connections to
their device. The relay can be activated by pressing
the # key on the answering telephone.
Step 2. Connect the Door Plate to the VIP172-RLY with
standard CAT5 T568A or T568B straight-through
cabling.
Step 3. Connect the punchdown block on the VIP172-RLY
to the SIGNAL OUTPUT on the Network Interface
with standard CAT5 cabling. RJ-45 connector at
Network Interface should be wired using T568B
standard.
Solutions Setup Tool.
an inline power injector will be required.
The VIP172-RLY External Relay adapter increases
security for door unlock mechanisms. By installing the
VIP172-RLY in a protected area, the relay connections
can be protected from tampering. When installed inline
as shown in this drawing, the relay connections on the
Door Plate are not functional.
WHITE/BLUE
BLUE
WHITE/ORANGE
ORANGE
WHITE/GREEN
GREEN
WHITE/BROWN
BROWN
COM
NO
Figure 2. Higher Security Wiring Connections
Bekijk gratis de handleiding van Valcom VIP-172AL-VRSS-SA, stel vragen en lees de antwoorden op veelvoorkomende problemen, of gebruik onze assistent om sneller informatie in de handleiding te vinden of uitleg te krijgen over specifieke functies.
Productinformatie
| Merk | Valcom |
| Model | VIP-172AL-VRSS-SA |
| Categorie | Niet gecategoriseerd |
| Taal | Nederlands |
| Grootte | 635 MB |







