Roland V-1600HD handleiding
Handleiding
Je bekijkt pagina 43 van 68

43
Switching the AUX Output Point
You can use the menus to select the AUX output points described below.
* By default, number 2, [Mixer Output] is selected.
1. Mixer Input
2. Mixer Output
3. DSK Source
4. DSK Output
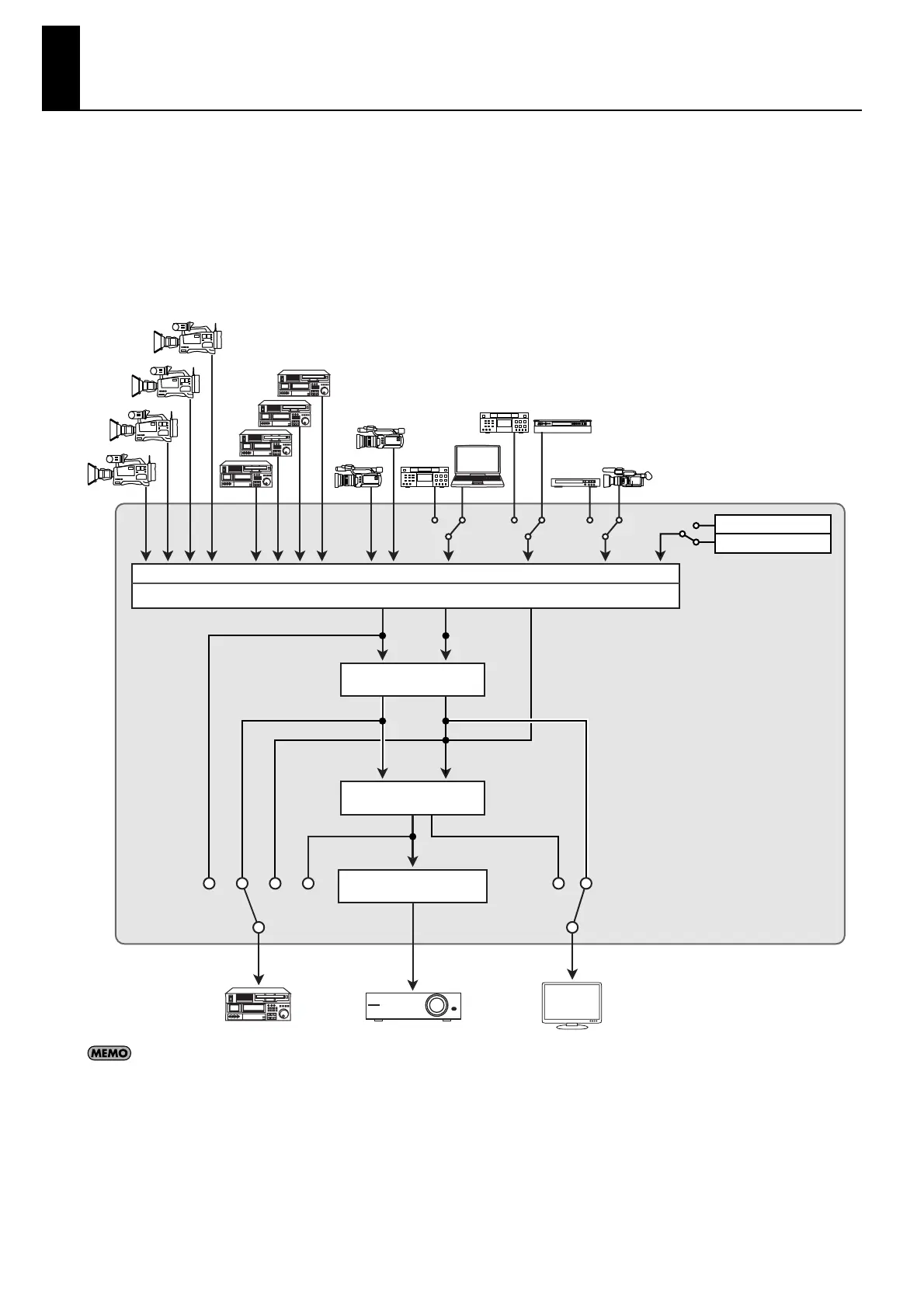
During operation in the DSK mode, the AUX output point (1 - 4) is switched as shown in the figure below.
fig.AUX-point.eps
The figure above depicts the state when the V-1600HD’s internal operation mode is set to the DSK mode. Internal signal flow differs when one of
the alternative modes is enabled. Refer to “Multi-Screen Modes” (p. 57).
1234 5678 910 11 12 13 14
PST/EFFECTPGM
PGM PVW
Input Select
Still Image
Background Color
Video Mixer
DSK SourceBackground
DSK Mixer
Output Fade
1234
AUX
PGM PVW
PGM
Mixer Input
Mixer Output
DSK Source
DSK Output
Bekijk gratis de handleiding van Roland V-1600HD, stel vragen en lees de antwoorden op veelvoorkomende problemen, of gebruik onze assistent om sneller informatie in de handleiding te vinden of uitleg te krijgen over specifieke functies.
Productinformatie
Merk | Roland |
Model | V-1600HD |
Categorie | Niet gecategoriseerd |
Taal | Nederlands |
Grootte | 9574 MB |