Nord Modular G2 handleiding
Handleiding
Je bekijkt pagina 156 van 291

13. Module reference: In/Out group NORD MODULAR G2 V1.4x
Page 156
IN/OUT GROUP
This group contains modules that connects the patch to the outside world. The In/Out modules give
you access to incoming keyboard information, route audio signals to and from the four physical audio
I
N
and O
UT
jacks, allow you to route audio signals between the Voice Area and the FX Area, and route
audio signals to and from the Audio Bus channels, which are shared by the four Slots of the Nord
Modular G2. By using these Bus channels you can route audio from one Patch to another internally.
You will need at least one 2-Out module in a Patch to be able to listen to audio signals created in the
Patch.
C
OMMON
I
N
/O
UT
MODULE
PARAMETERS
AND
DEFINITIONS
A
UDIO
SIGNAL
CHANNELS
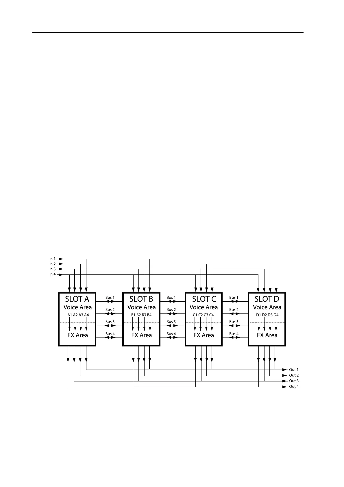
There are a number of different audio signal channels in the Nord Modular G2 system. First, you have
4 separate Audio In channels which route the incoming audio signals on the four A
UDIO
I
N
jacks and
the XLR M
IC
I
NPUT
of the synth to the Input modules in the four Slots. There are also 4 separate Audio
Out channels which are hard-wired to the four A
UDIO
O
UT
jacks of the synth. In each Patch you can
also route 4 separate audio signals from the Voice Area to the FX Area (see “FX-In” on page 158).
In addition to these audio signal channels, there are 4 global audio Bus channels which can be used by
Patches to route audio signals between the four Slots of the synth. In other words, the audio Bus concept
makes it possible to send and receive audio signals internally between Patches in the four Slots. This is
useful when creating multi-Slot Performances where one Slot is used as an FX processor for the other
Slots. The audio Bus channels can be used freely by both the Voice Area and the FX Area. This means
that you could actually route audio back from the FX Area to the Voice Area if you like. The figure below
shows how audio signal channels can be routed in the Nord Modular G2 system:
Note that the four audio Bus channels are parallel and
can be used by Patches in the Slots in no specific order.
Bekijk gratis de handleiding van Nord Modular G2, stel vragen en lees de antwoorden op veelvoorkomende problemen, of gebruik onze assistent om sneller informatie in de handleiding te vinden of uitleg te krijgen over specifieke functies.
Productinformatie
| Merk | Nord |
| Model | Modular G2 |
| Categorie | Niet gecategoriseerd |
| Taal | Nederlands |
| Grootte | 60689 MB |







