Lutron Caseta DVRF-6L-WH handleiding
Handleiding
Je bekijkt pagina 24 van 30

®
SPECIFICATION SUBMITTAL Page
Job Name:
Job Number:
Model Numbers:
Caséta by Lutron Load Controls
369987l 24 2.24.23
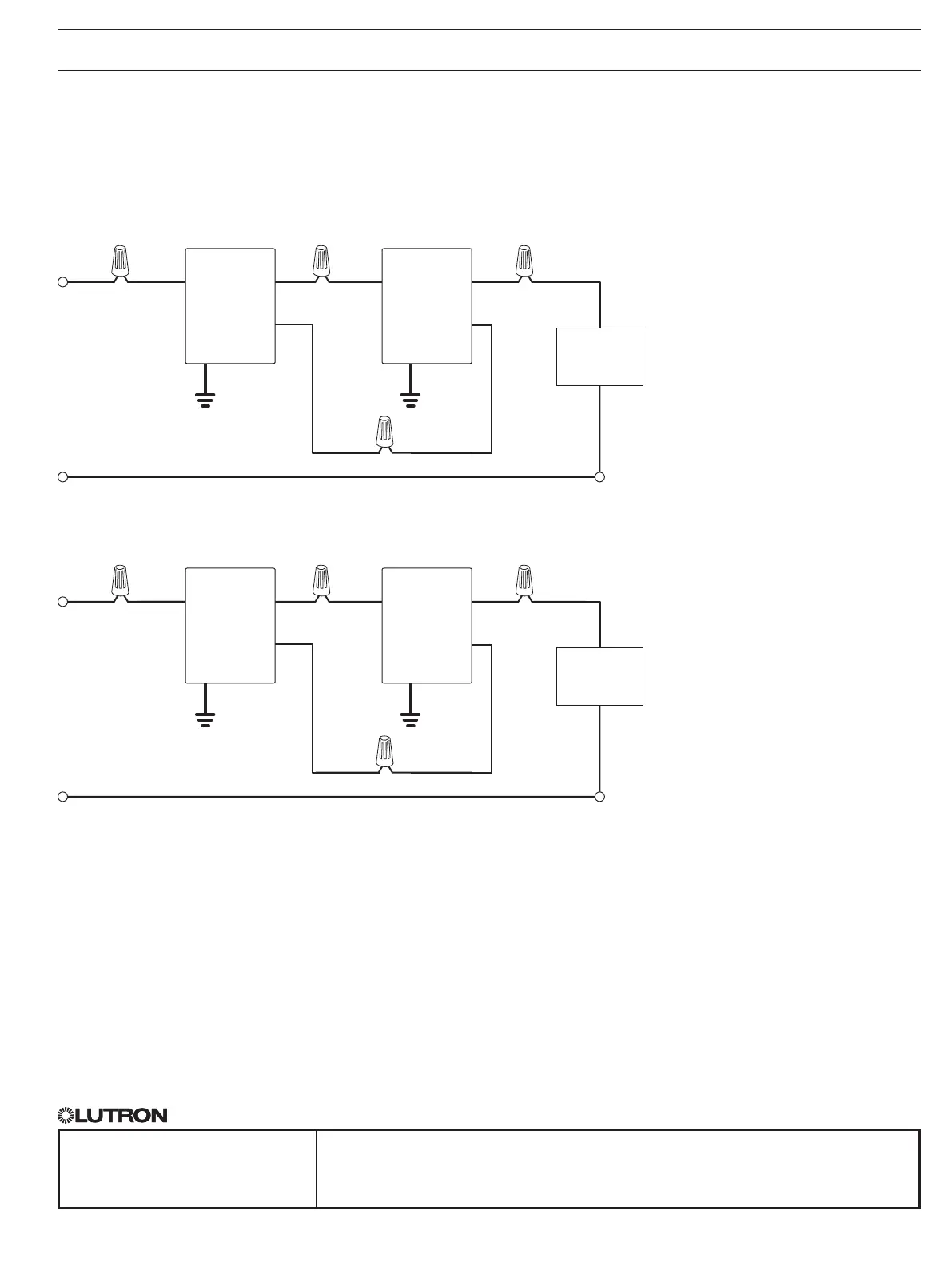
Wiring Diagrams - Dimmers (continued)
3-Way Installation (load is controlled from 2 locations) (continued)
Option 3: With an accessory switch
DVRF-6L and Smart Accessory Switch (DVRF-AS)
1
DVRF-6L (Line Side)
Dimmer
Load
Black
Line / Hot
Green
Blue
Ground
Neutral
120 V~ 60 Hz
Green
Ground
Red
Accessory Switch
Red Black
Blue
DVRF-6L (Load Side)
Accessory Switch
Load
Black
Line / Hot
Green
Blue
Ground
Neutral
120 V~ 60 Hz
Green
Ground
Red
Dimmer
Red Black
Blue
DVRF-6L
DVRF-AS
DVRF-AS
DVRF-6L
¹ When using an accessory switch in a 3-way installation with a dimmer, the Black and Red wires of both devices are reversible.
24
Bekijk gratis de handleiding van Lutron Caseta DVRF-6L-WH, stel vragen en lees de antwoorden op veelvoorkomende problemen, of gebruik onze assistent om sneller informatie in de handleiding te vinden of uitleg te krijgen over specifieke functies.
Productinformatie
| Merk | Lutron |
| Model | Caseta DVRF-6L-WH |
| Categorie | Niet gecategoriseerd |
| Taal | Nederlands |
| Grootte | 3733 MB |

