Handleiding
Je bekijkt pagina 33 van 44

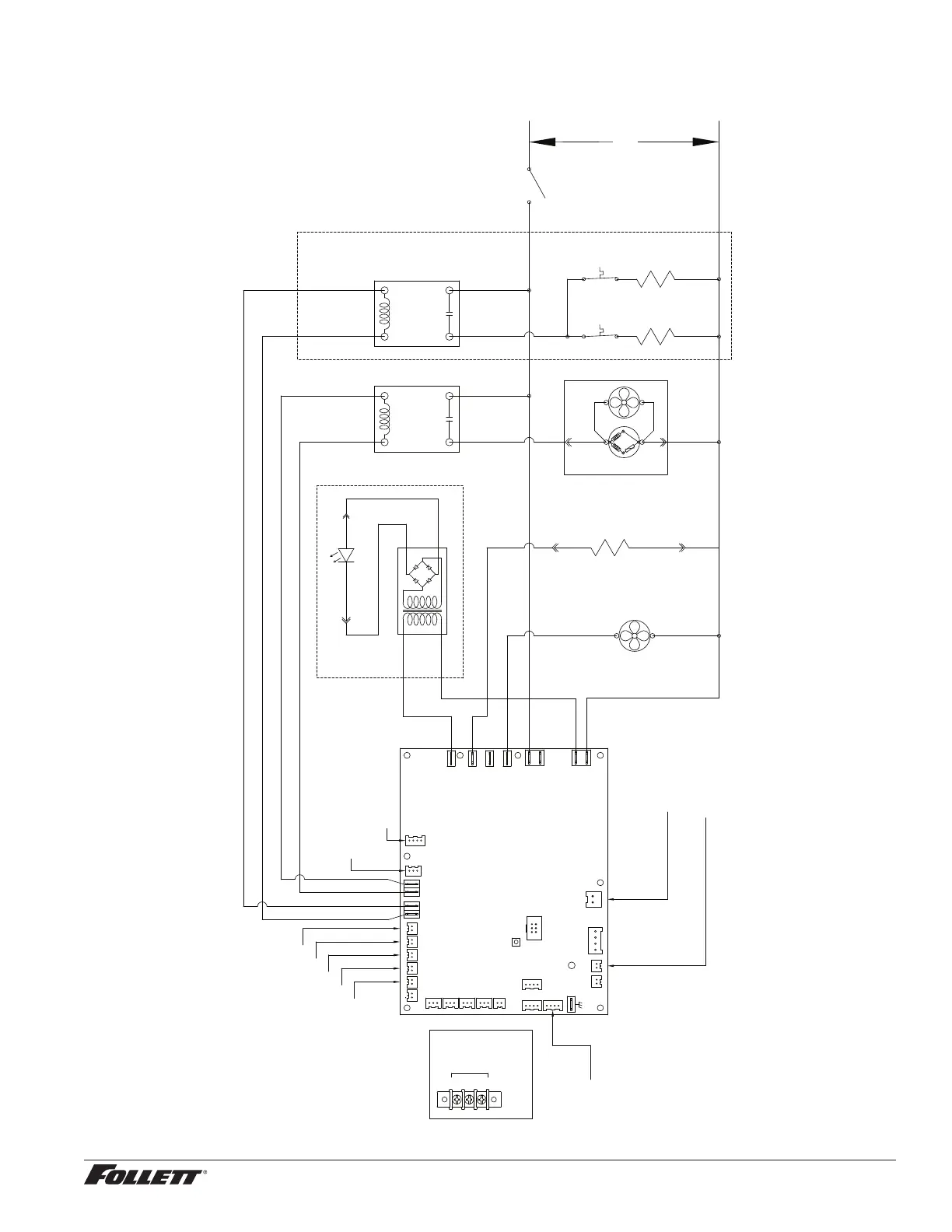
FZR4P, FZR5P and FZR5PLP-T Undercounter Freezers 33
Wiring Diagram
Serial numbers above E98967
N
C
EVAP
FAN
PWR SW
ALARM#1
DEF
DFRST
ALARM
BOTL
SUCTDSCHG
COMP
INLET
EVAP FAN
N/C
DOOR HTR
CAB
COND AIR
P7
P3
P2 P1
P6
P8
R30
21
4-3+
INPUT
3-32VDC
240VAC/25A
OUTPUT
WHT
MACHINE CONTROL
BLK
P3-ALARM BOTTLE
P1-CONTROL
HOT (L1)
NEUTRAL (L2)
RELAY
COMP
RELAY
BATTERY
WHT
(KEYPAD OR
ELOCK
DISPLAY
A B A B
HOT
NEUTRAL
(KEYPAD ONLY)
RED
BLK
120VAC
ORG
BLK
BATTERY
BLK
WHT
BLUE
COND
UNIT
DOOR
HTR
BLK
DEF
HTR
PAN
HTR
SFTY
SW
SFTY
COIL
RED
WHT
WHT
PAN
SW
21
4-3+
INPUT
3-32VDC
240VAC/25A
OUTPUT
BLK -
RED +
ORG
BLK
P2-DEFROST
P6-COMP SUCT
P7-COMP DISCH
TOUCHSCREEN ONLY)
RED
BLK
ALARM RELAY
(TOUCHSCREEN ONLY)
FZR SERIES ONLY
120VAC
12VDC
LED LIGHT
12V TRANSFORMER
BRN
BLU
RED
BLK
BLK RED
TOUCHSCREEN ONLY
COM
N.O.
N.C.
ALARM 1
REAR PANEL CONNECTIONS
1A/30VDC
(TOUCHSCREEN ONLY)
BLU
BRN
LED LIGHT
DOOR SW
(TOUCHSCREEN ONLY)
WHTBLK
DEFROST RELAY
COMP RELAY
BRN
BLUE
BLK -
RED +
Bekijk gratis de handleiding van Follett FZR4P, stel vragen en lees de antwoorden op veelvoorkomende problemen, of gebruik onze assistent om sneller informatie in de handleiding te vinden of uitleg te krijgen over specifieke functies.
Productinformatie
Merk | Follett |
Model | FZR4P |
Categorie | Koelkast |
Taal | Nederlands |
Grootte | 6765 MB |