Ensemble Designs BrightEye 72 handleiding
Handleiding
Je bekijkt pagina 11 van 40

www.ensembledesigns.com
BrightEye 72 and 72-F - Page 11
3G/HD/SD SDI to HDMI Converter User Guide
TM
BrightEye 72 and 72-F
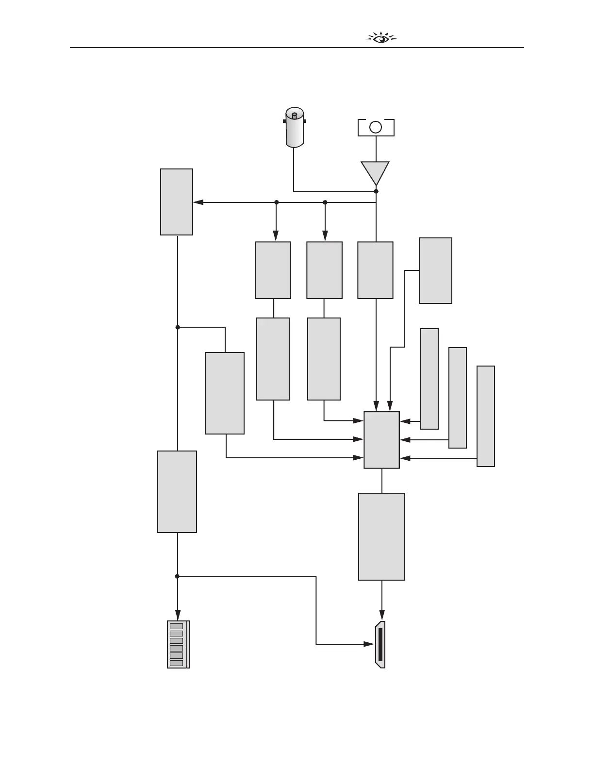
BrightEye 72-F Functional Block Diagram, Landscape View
Video Proc
& Color
Corrector
Audio Meter
Overlay
Audio Out
Selection
16 Chan
Audio Demux
Test Signal
Gen
On Screen Controls
Input Status Display
Graticule Gen
Timecode
Window Gen
Caption
Reader
H & V
Delay
Overlay
Combiner
Timecode
Reader
HDMI Out
Analog
Audio Out
Open Caption
Decoding
Optical In
3G/HD/SD SDI
Loopback
Bekijk gratis de handleiding van Ensemble Designs BrightEye 72, stel vragen en lees de antwoorden op veelvoorkomende problemen, of gebruik onze assistent om sneller informatie in de handleiding te vinden of uitleg te krijgen over specifieke functies.
Productinformatie
| Merk | Ensemble Designs |
| Model | BrightEye 72 |
| Categorie | Niet gecategoriseerd |
| Taal | Nederlands |
| Grootte | 9730 MB |







