Ensemble Designs BrightEye 72 handleiding
Handleiding
Je bekijkt pagina 10 van 40

www.ensembledesigns.com
BrightEye 72 and 72-F - Page 10
3G/HD/SD SDI to HDMI Converter User Guide
TM
BrightEye 72 and 72-F
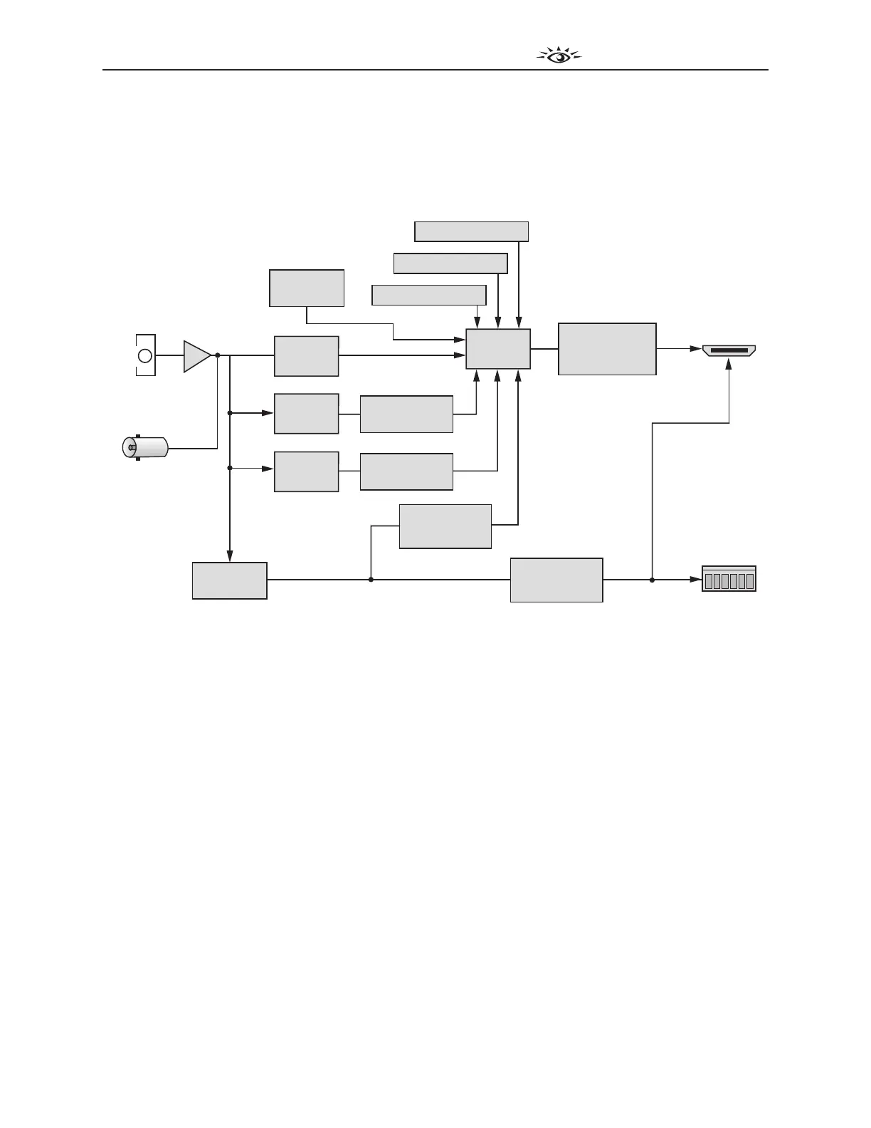
BrightEye 72-F Functional Block Diagram, Portrait View
Video Proc
& Color
Corrector
Audio Meter
Overlay
Audio Out
Selection
16 Chan
Audio Demux
Test Signal
Gen
On Screen Controls
Input Status Display
Graticule Gen
Timecode
Window Gen
Caption
Reader
H & V
Delay
Overlay
Combiner
Timecode
Reader
HDMI Out
Analog
Audio Out
Open Caption
Decoding
Optical In
3G/HD/SD SDI
Loopback
BrightEye 72-F
For your reference, see the functional block diagram of the BrightEye 72-F on this page and the next
page showing the optical input. The diagram appears twice, first in a portrait view, then larger as a
landscape view.
Bekijk gratis de handleiding van Ensemble Designs BrightEye 72, stel vragen en lees de antwoorden op veelvoorkomende problemen, of gebruik onze assistent om sneller informatie in de handleiding te vinden of uitleg te krijgen over specifieke functies.
Productinformatie
| Merk | Ensemble Designs |
| Model | BrightEye 72 |
| Categorie | Niet gecategoriseerd |
| Taal | Nederlands |
| Grootte | 9730 MB |







