Deye SUN-30K-SG02HP3-EU-AM3 handleiding
Handleiding
Je bekijkt pagina 28 van 63

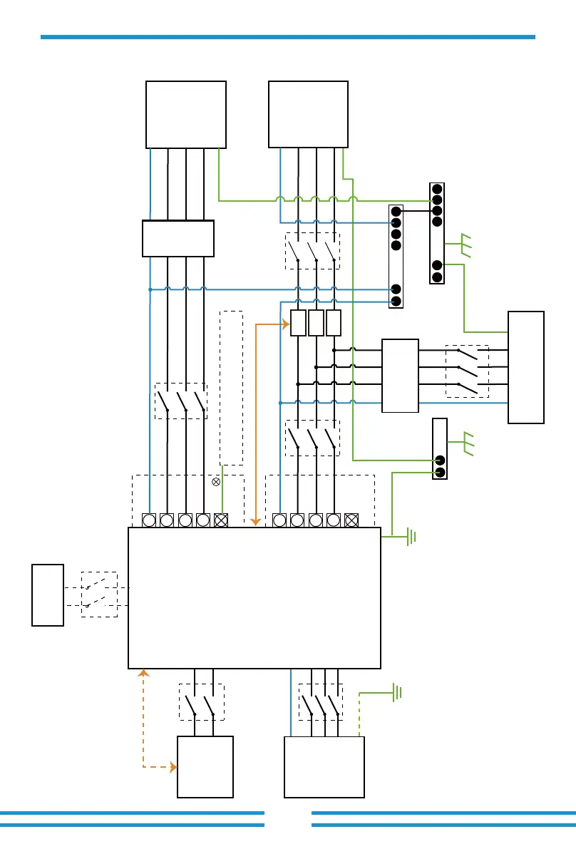
3.10 Wiring diagram with neutral line grounded
E-BAR
GEN
PORT
Load
CT
PE
AC Breaker
R R
N N
S
Load
PE or
S
T
T
AC Breaker AC Breaker
R
R
R
N
N
N
S
S
Grid
S
T
PE
PE
T
R
N
S
PE
T
T
AC Breaker
Hybrid Inverter
CT1
CT2
CT3
RCD
Home Loads
RCD
E-BAR
N-BAR
E-N
Link
Grid
Battery
BMS
DC Breaker
PV
DC Breaker
This diagram is an example for an applicaon that neutral connects with the
PE in a distribuon box.
For countries such as Australia, New Zealand, etc., please follow
local wiring regula�ons!
Inverter case grounding
Bekijk gratis de handleiding van Deye SUN-30K-SG02HP3-EU-AM3, stel vragen en lees de antwoorden op veelvoorkomende problemen, of gebruik onze assistent om sneller informatie in de handleiding te vinden of uitleg te krijgen over specifieke functies.
Productinformatie
Merk | Deye |
Model | SUN-30K-SG02HP3-EU-AM3 |
Categorie | Niet gecategoriseerd |
Taal | Nederlands |
Grootte | 7788 MB |