Deye SUN-30K-SG02HP3-EU-AM3 handleiding
Handleiding
Je bekijkt pagina 29 van 63

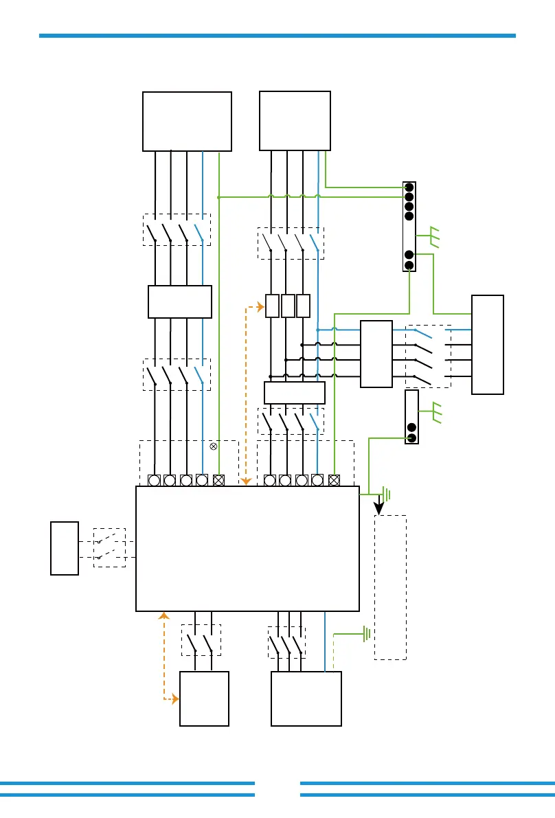
3.11 Wiring diagram with neutral line ungrounded
This diagram is an example for an application in which neutral is separated
from the PE in the distribution box.
For countries such as China, Germany,the Czech Republic, Italy, etc., please
follow local wiring reguations!
E-BAR
Backup
Loads
CT
PE
L2 L2
L1 L1
L3
Backup
PE or
L3
N
PE
N
L2
L2
L2
L1
L1
L1
L3
L3
On-Grid
PE
L3
N
PE
N
N
Hybrid Inverter
CT1
CT2
CT3
RCD
Home Loads
RCD
E-BAR
Grid
Battery
Distribution box
Grouding screw hole in the
lower right corner
300mA RCD (Recommended)
RCD
BMS
GEN
PORT
L1
N
L2
PE
L3
AC Breaker
DC Breaker
PV
DC Breaker
Bekijk gratis de handleiding van Deye SUN-30K-SG02HP3-EU-AM3, stel vragen en lees de antwoorden op veelvoorkomende problemen, of gebruik onze assistent om sneller informatie in de handleiding te vinden of uitleg te krijgen over specifieke functies.
Productinformatie
Merk | Deye |
Model | SUN-30K-SG02HP3-EU-AM3 |
Categorie | Niet gecategoriseerd |
Taal | Nederlands |
Grootte | 7788 MB |