Carrier 39S handleiding
Handleiding
Je bekijkt pagina 45 van 64

45
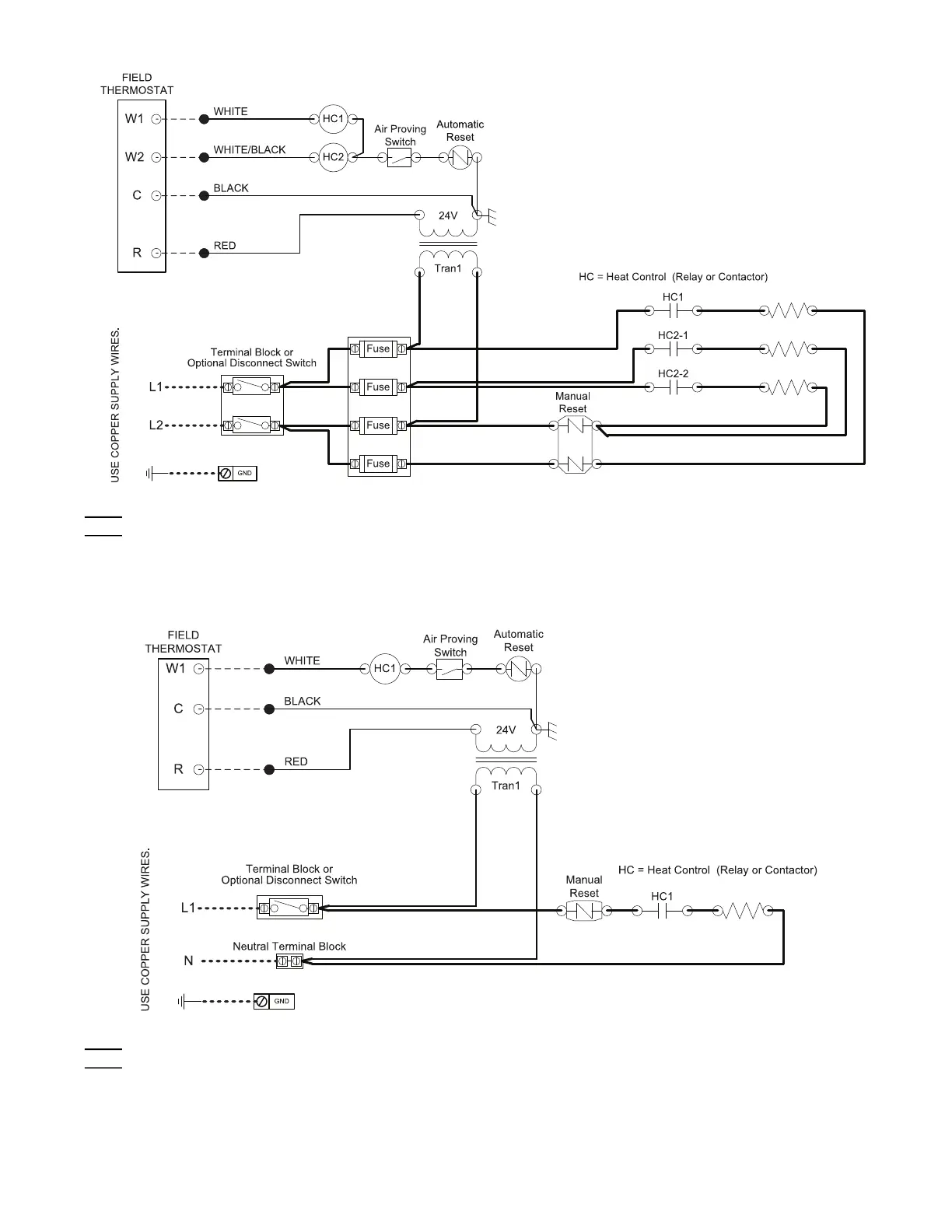
Fig. 61 — Electric Heat Wiring Schematic, Dual Point Power (3 Elements), 240V, Single Phase, 11 to 17 kW
Fig. 62 — Electric Heat Wiring Schematic, Dual Point Power (1 Element), 277V, Single Phase, 1 to 6 kW
a39-4515
LEGEND
High-Voltage Factory Wiring
Low-Voltage Factory Wiring
- - - - - Field-Wiring
a35-4516
LEGEND
High-Voltage Factory Wiring
Low-Voltage Factory Wiring
- - - - - Field-Wiring
Bekijk gratis de handleiding van Carrier 39S, stel vragen en lees de antwoorden op veelvoorkomende problemen, of gebruik onze assistent om sneller informatie in de handleiding te vinden of uitleg te krijgen over specifieke functies.
Productinformatie
| Merk | Carrier |
| Model | 39S |
| Categorie | Niet gecategoriseerd |
| Taal | Nederlands |
| Grootte | 10967 MB |







