Advantech iDAQ-801 handleiding
Handleiding
Je bekijkt pagina 18 van 46

iDAQ-801_841 User Manual 8
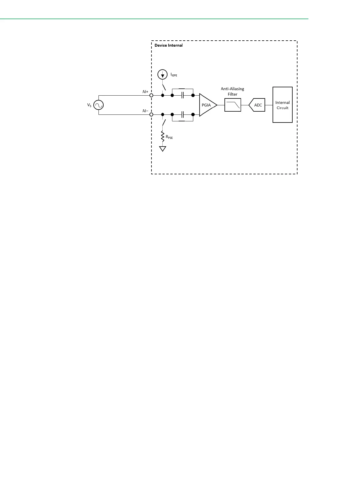
Figure 2.3 Analog input signal connection (voltage source).
The device only accepts differential input configuration. Connect the external source
between the positive analog input (AI+) terminal and the negative analog input (AI−)
terminal.
2.3.2 Analog Input Connection of iDAQ-841
An analog input channel measures the voltage (V
S
) or current (I
S
) of the external
source. When measuring current, the current value is first converted into a voltage
value by the measuring resistor (R
MEA
). The voltage is then amplified or attenuated
by a programmable gain instrumentation amplifier (PGIA), conditioned by a low-pass
filter (LPF), and sampled and converted into a digital form of data by an analog-to-
digital converter (ADC). This is shown in Figure 2.4. The ADC of every channel sam-
ples the signal at the same time, and this architecture is thus called simultaneous
sampling.
Bekijk gratis de handleiding van Advantech iDAQ-801, stel vragen en lees de antwoorden op veelvoorkomende problemen, of gebruik onze assistent om sneller informatie in de handleiding te vinden of uitleg te krijgen over specifieke functies.
Productinformatie
Merk | Advantech |
Model | iDAQ-801 |
Categorie | Niet gecategoriseerd |
Taal | Nederlands |
Grootte | 3491 MB |