Advantech BB-SR30918320-SWH handleiding
Handleiding
Je bekijkt pagina 34 van 58

SmartFlex SR309
Binary output
• Binary output parameters:
– 60 V AC / 300 mA
– 60 V DC / 300 mA
• The current of the binary output is limited by a resettable fuse (300 mA).
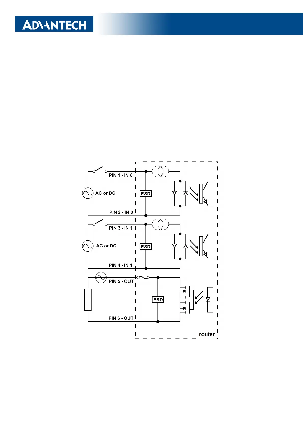
Binary inputs and output connections
Binary inputs and output connections example:
Figure 31: Binary connection
27
Bekijk gratis de handleiding van Advantech BB-SR30918320-SWH, stel vragen en lees de antwoorden op veelvoorkomende problemen, of gebruik onze assistent om sneller informatie in de handleiding te vinden of uitleg te krijgen over specifieke functies.
Productinformatie
Merk | Advantech |
Model | BB-SR30918320-SWH |
Categorie | Niet gecategoriseerd |
Taal | Nederlands |
Grootte | 8540 MB |