Handleiding
Je bekijkt pagina 23 van 56

23
Siena Pro Use, Care, and Installation Guide
ZEPHYRONLINE.COM
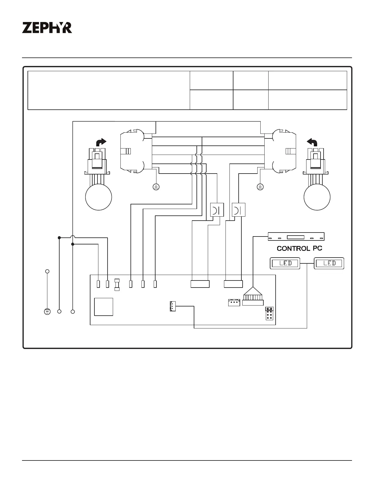
Wiring Diagram
ZSP-E36DS, ZSP-E42DS,
ZSP-E48DS Wiring Diagram
Volts Hz
Max Amps
120 60 7
MOTOR
BLUE
BROWN
GREY
AC N
TRANSFORMER
WHITE
GREEN
BLACK
WHITE
BODY
PURPLE
REMARKS:CAPACITOR 11+11uF 250VAC x 2 FIT AC120V 60Hz
AC L
GREY
BLUE
BROWN
BODY
GREEN
LO
MID
HI
LED
CAP1
YELLOW
YELLOW
BRSP-IRIO
CAP2
YELLOW
YELLOW
COM
FUSE 10A
YELLOW
RED
WHITE
MOTOR
BODY
GREEN
YELLOW
RED
WHITE
RED
RED
GREY
BLUE
BROWN
Power consumption shown for default CFM blower configuration
ACT 590 CFM - Fan Max. 533W @4.5A
ACT 390 CFM - Fan Max. 362W @3.3A
Bekijk gratis de handleiding van Zephyr Siena Pro ZSP-E36DS, stel vragen en lees de antwoorden op veelvoorkomende problemen, of gebruik onze assistent om sneller informatie in de handleiding te vinden of uitleg te krijgen over specifieke functies.
Productinformatie
| Merk | Zephyr |
| Model | Siena Pro ZSP-E36DS |
| Categorie | Afzuigkap |
| Taal | Nederlands |
| Grootte | 5890 MB |



