Wilbur Curtis G4TB handleiding
Handleiding
Je bekijkt pagina 12 van 26

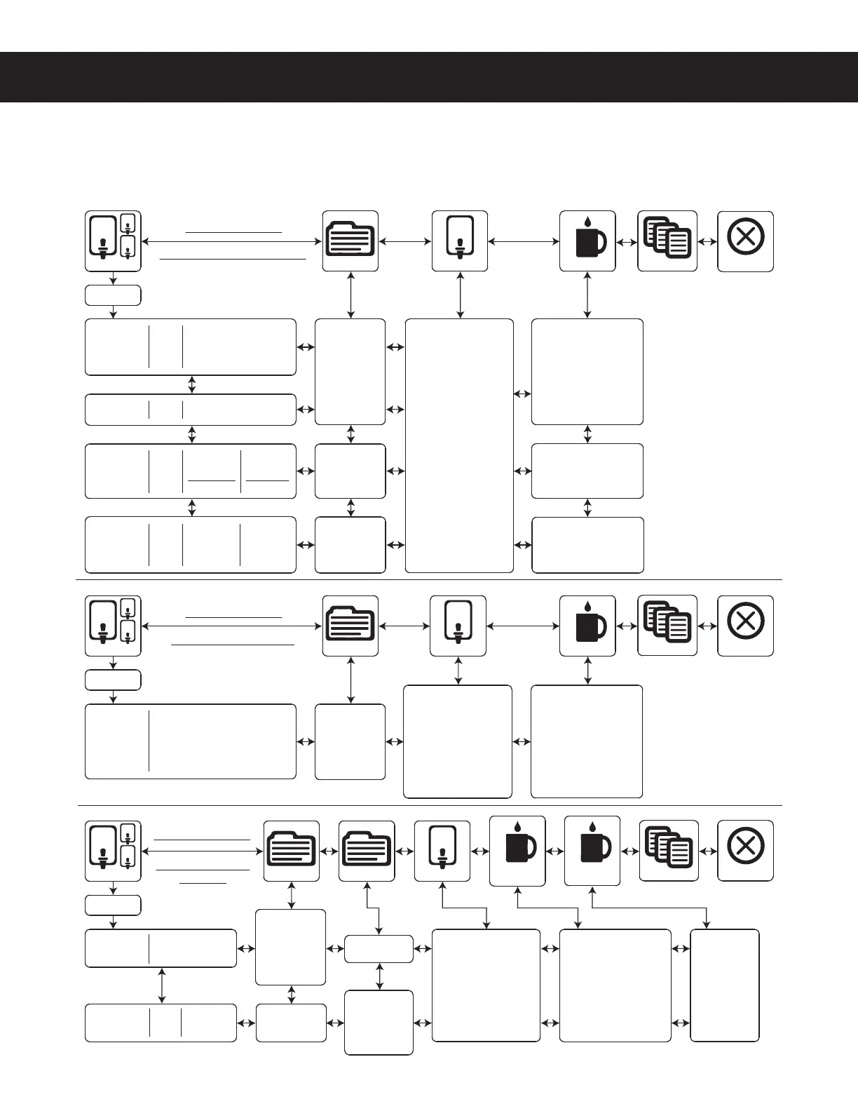
PROGRAMMING GUIDE PG1
SELECTIONS FOR
COFFEE BREWER MODELS
SELECTIONS FOR
TEA BREWER MODELS
SELECTIONS FOR
COMBO BREWER
MODELS
Coffee
Gemini
Gemini IF
ThermoPro
Milano
Omega
Gourmet Std
Light Roast
Dark Roast
High Yield
Filter Pack
Decaf
Custom Recipe*
Model Select
Control Settings Brew Settings
Recipes
Tea
Model Select
Control Settings Brew Settings
Settings Summary
Recipes
Combo
Model Select
Control Settings
Coffee
Brew Settings
Tea
Brew Settings
Settings Summary
Exit
Exit
Settings Summary
Exit
Tea Recipes Coffee Recipes
Temperature
Warmer Settings*
Quality Timer
Energy Savings
Sounds
Diagnostics
Display Settings
Preventative Maintenance
Brew Counter
Passwords
Master Reset
Regional Settings
Filter Pre-Wet*
Custom Recipes
Chemex
V60
Kalita
Brew Basket
Custom Recipes
Thermo Pro 1G
Single
Twin
Single
Twin
One Batch
Two Batch
Three Batch
One Batch
Two Batch
Three Batch
See Brew
Settings
One Batch
One Batch
Two Batch
Seraphim
Single
Twin
Paper Cup
Gold Cup
By Volume/Time
Pre/Pulse
Bypass
Drip Out
Flow Calibration
Tea/IC-1Batch
Tea/IC-2Batch
Tea/IC-3Batch
Tea/IC-4Batch
Tea-Sweet
Dual-Dilution
Dual-Sweet
Standard-Purple
Standard-Gray
Standard-Amber
Tropical-Purple
Tropical-Gray
76/308-Purple
76/308-Gray
Temperature
Quality Timer
Energy Savings
Sounds
Diagnostics
Display Settings
Preventative Maintenance
Brew Counter
Passwords
Master Reset
Regional Settings
Full Only
Full & Half
By Volume/Time
Dilution by Volume/Time
Dilution Delay/Stir/Fast-Brew
Pulses
Drip-Out
Sweetener*
Combo
Combo/IC
Combo-Sweet
Standard-Purple
Standard-Gray
Standard-Amber
Tropical-Purple
Tropical-Gray
76/308-Purple
76/308-Gray
Standard-Amber
Tropical-Amber
76/308-Amber
Standard-Purple
Standard-Amber
Gourmet Std
Light Roast
Dark Roast
High Yield
Filter Pack
Decaf
Temperature
Quality Timer
Energy Savings
Sounds
Diagnostics
Display Settings
Preventative Maintenance
Brew Counter
Passwords
Master Reset
Regional Settings
Full Only
Full & Half
Combo HV
Combo HV/IC
Single
Twin
By Volume/Time
Dilution by Volume/Time
Dilution Delay/Stir/Fast-Brew
Pulses
Drip-Out
Sweetener*
By Volume/Time
Pre/Pulse
Bypass*
Drip-Out
Pulses
Sprayhead Types
Flow Calibration
Batch Size
Sprayhead Types
Flow Calibration
Single*
Twin
Ceramic Cup
Paper Cup
Filter pack
One Batch
Two Batch
Three Batch
Programming
4IPXOCFMPXBSFUIFWBSJPVTQSPHSBNNJOHPQUJPOTBWBJMBCMFJOUIFQSPHSBNNJOH."*/.&/65IFJDPOTUIBU
BQQFBSWBSZCBTFEPOUIFCSFXFSNPEFMTFMFDUFEVOEFS.PEFM4FMFDU
'FBUVSFOPUBWBJMBCMFPOTPNFNPEFMT
(130(3"..*/((6*%&ø #
Bekijk gratis de handleiding van Wilbur Curtis G4TB, stel vragen en lees de antwoorden op veelvoorkomende problemen, of gebruik onze assistent om sneller informatie in de handleiding te vinden of uitleg te krijgen over specifieke functies.
Productinformatie
| Merk | Wilbur Curtis |
| Model | G4TB |
| Categorie | Niet gecategoriseerd |
| Taal | Nederlands |
| Grootte | 3681 MB |




