Warmup 7iE Matter handleiding

22 pagina's
PDF beschikbaar

Handleiding

Je bekijkt pagina 5 van 22
5
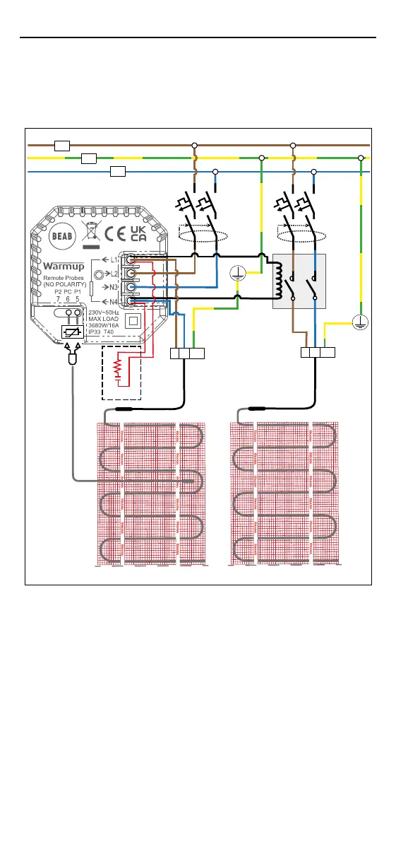
Step 2 - Wiring Connections - Loads over 16 amps
Warmup thermostats are rated for a maximum of 16 amps (3680 W). A
contactor must be used to switch loads exceeding 16 amps. Please see wiring
diagram below.
30 mA
≤16A
30 mA
≤16A
R
Snubber
C
L N PE
L N PE
PE
L
N

Bekijk gratis de handleiding van Warmup 7iE Matter, stel vragen en lees de antwoorden op veelvoorkomende problemen, of gebruik onze assistent om sneller informatie in de handleiding te vinden of uitleg te krijgen over specifieke functies.

Productinformatie

MerkWarmup
Model7iE Matter
CategorieThermostaat
TaalNederlands
Grootte4000 MB