Vulcan C24EO3AF handleiding

43 pagina's
PDF beschikbaar

Handleiding

Je bekijkt pagina 37 van 43
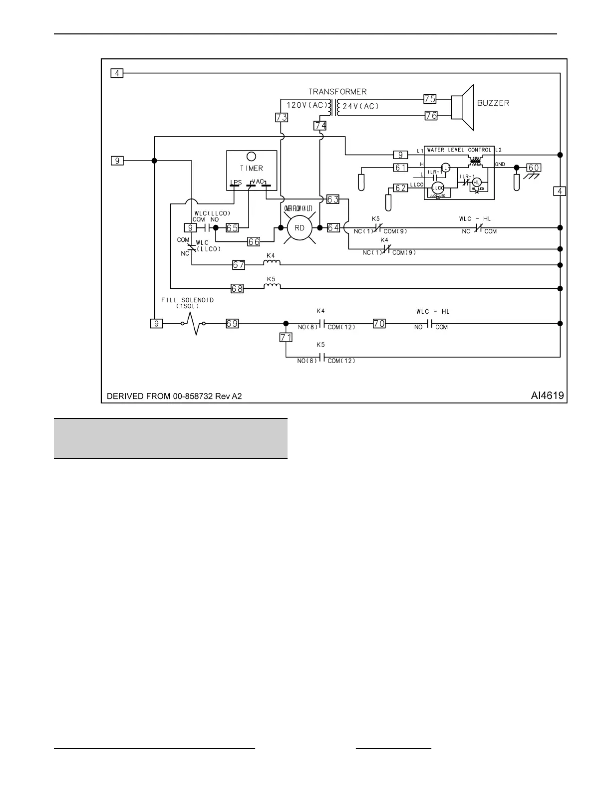
AUTOFILL OPTION
WIRING DIAGRAMS - HEATING
ELEMENTS
C24EO3 - 208V/240V
C24EO SERIES ELECTRIC COUNTERTOP STEAMERS - ELECTRICAL OPERATION
Page 37 of 43 F25386 Rev. C (0421)

Bekijk gratis de handleiding van Vulcan C24EO3AF, stel vragen en lees de antwoorden op veelvoorkomende problemen, of gebruik onze assistent om sneller informatie in de handleiding te vinden of uitleg te krijgen over specifieke functies.

Productinformatie

MerkVulcan
ModelC24EO3AF
CategorieNiet gecategoriseerd
TaalNederlands
Grootte15986 MB