Vulcan C24EO3AF handleiding

43 pagina's
PDF beschikbaar

Handleiding

Je bekijkt pagina 36 van 43
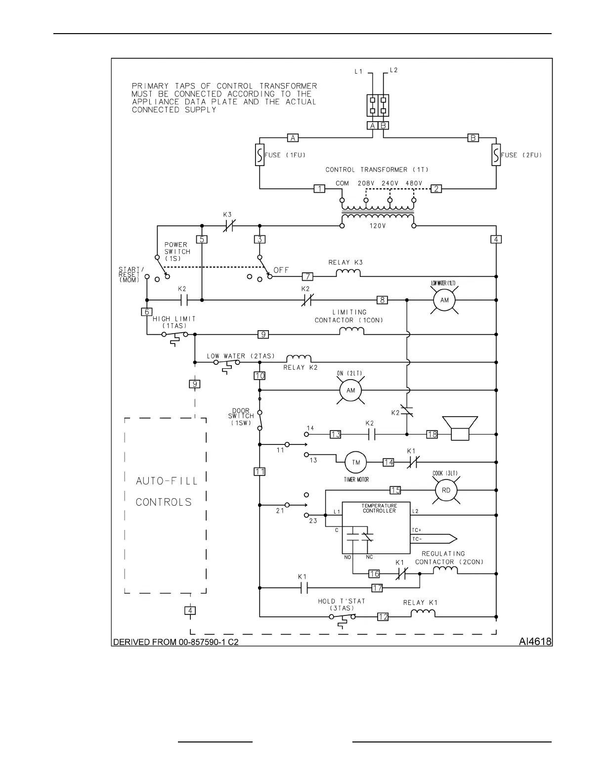
C24EO SERIES ELECTRIC COUNTERTOP STEAMERS - ELECTRICAL OPERATION
F25386 Rev. C (0421) Page 36 of 43

Bekijk gratis de handleiding van Vulcan C24EO3AF, stel vragen en lees de antwoorden op veelvoorkomende problemen, of gebruik onze assistent om sneller informatie in de handleiding te vinden of uitleg te krijgen over specifieke functies.

Productinformatie

MerkVulcan
ModelC24EO3AF
CategorieNiet gecategoriseerd
TaalNederlands
Grootte15986 MB