Vestil ZLTT-5252-4-36 handleiding
Handleiding
Je bekijkt pagina 9 van 15

Table of Contents Rev. 5/8/2019 ZLTT MANUAL
Table of Contents Copyright 2019 Vestil Manufacturing Co. Page 9 of 15
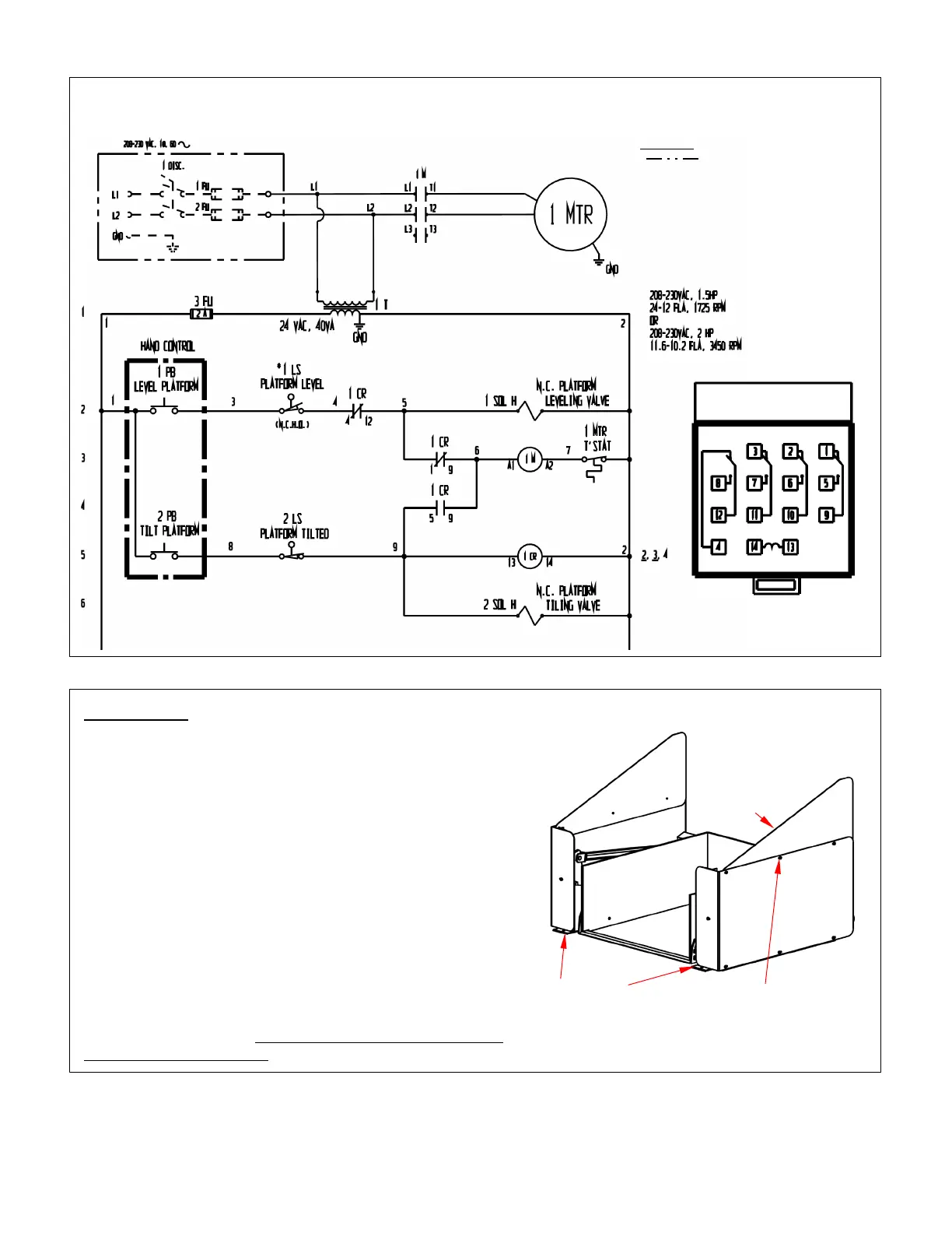
3-Phase Electric Circuit Diagram (04124020 Rev. E)
NOTE: Overcurrent & short-circuit protection and disconnect must be provided by the end-user.
Installation
NOTE: Numbers in parentheses () correspond to item
numbers in the Exploded Views on pages 4, 5, 6, & 7.
Move the table to its installation location. Orient the unit as
desired.
Connect the power unit to your electric utility. Refer to the
appropriate Electric Circuit Diagram on p. 8 or 9.
There are 4 anchor brackets welded to the frame: 2 on the
front side and 2 on the back side. Each bracket has a bolt
hole for
1
/
2
” anchor bolts. The necessary length of the anchor
bolts should be determined by the building engineer.
Drill
1
/
2
” holes into the concrete at the location of each
bracket hole to the necessary depth for your anchor bolts.
NOTE: The anchor brackets on the back side of the unit are
not accessible unless the tabletop is raised.
The side guards (24 & 25) are attached upside down to the
side walls and must be turned right side up. Remove the
screws (26). Orient the side guards as shown in the diagram
and reinstall the screws. The guards must be in place before
the table is put into service.
Control relay base
layout (top view)
NOTES:
Indicates wire and/or
components customer must
supply.
* All components represented as
they would be with the table in its
“Home” (resting) position, i.e. the
tabletop is horizontal
Anchor brackets
There are 2 more on the
back side of the unit
FRONT
BACK
Screw (26)
5
/
16
”-18 x
1
/
2
”
Side
guard
Bekijk gratis de handleiding van Vestil ZLTT-5252-4-36, stel vragen en lees de antwoorden op veelvoorkomende problemen, of gebruik onze assistent om sneller informatie in de handleiding te vinden of uitleg te krijgen over specifieke functies.
Productinformatie
Merk | Vestil |
Model | ZLTT-5252-4-36 |
Categorie | Niet gecategoriseerd |
Taal | Nederlands |
Grootte | 3935 MB |