Vestil CBB-3000-37 handleiding

19 pagina's
PDF beschikbaar

Handleiding

Je bekijkt pagina 13 van 19
TABLE OF CONTENTS Rev. 4/13/2023 CBB-3000-37 MANUAL
TABLE OF CONTENTS Copyright 2022 Vestil Manufacturing Co. Page 13 of 19
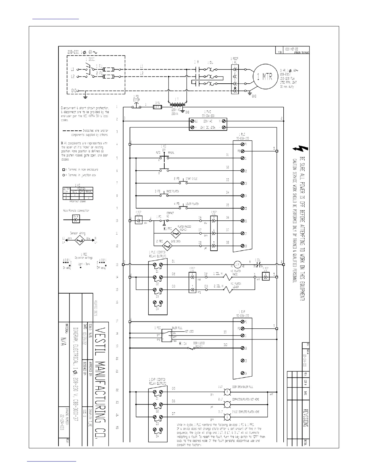
FIG. 9: Standard 3-phase electrical circuit diagram
208-230V AC STANDARD SINGLE PHASE ELECTRICAL CIRCUIT DIAGRAM
22124033

Bekijk gratis de handleiding van Vestil CBB-3000-37, stel vragen en lees de antwoorden op veelvoorkomende problemen, of gebruik onze assistent om sneller informatie in de handleiding te vinden of uitleg te krijgen over specifieke functies.

Productinformatie

MerkVestil
ModelCBB-3000-37
CategorieNiet gecategoriseerd
TaalNederlands
Grootte5154 MB