Valley Craft F89701 handleiding
Handleiding
Je bekijkt pagina 24 van 28

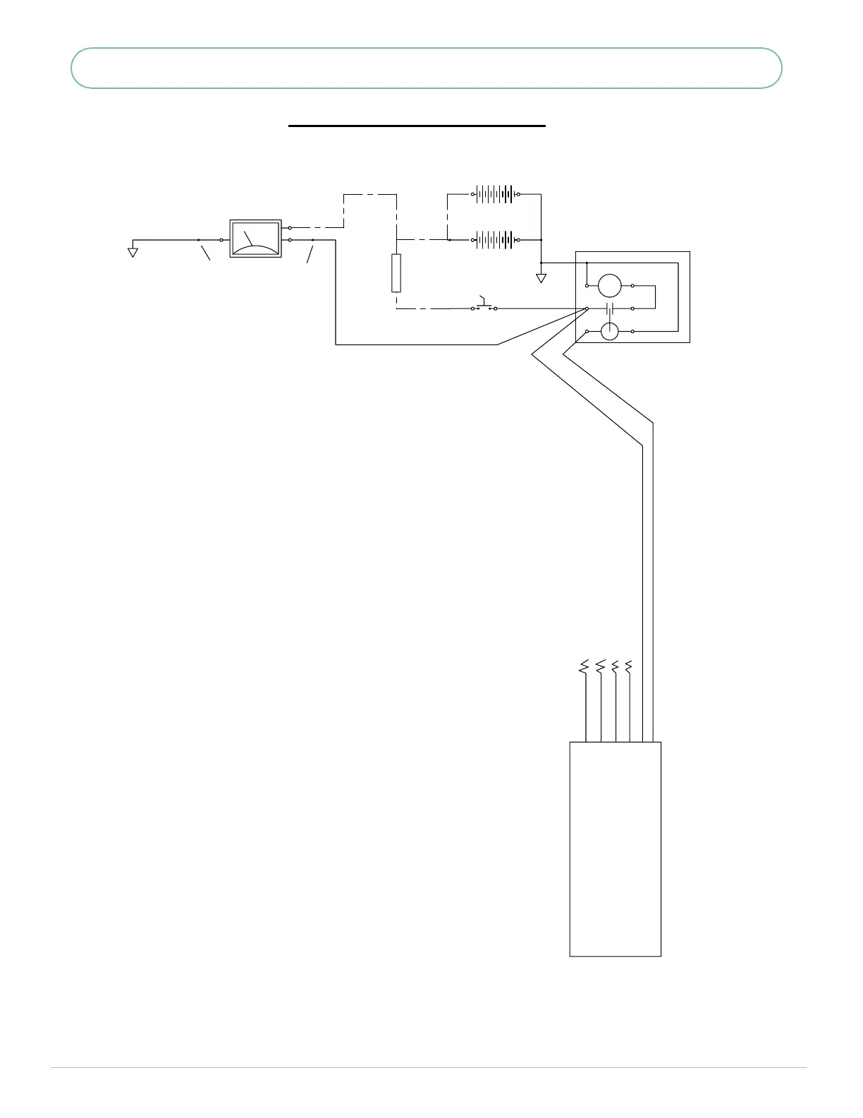
MOTOR
12VDC
+
-
BATT 1
12VDC
KEYSWITCH
+
-
BATT 1
12VDC
Z00171A6
BATTERY-12V 100AH SEALED LEAD
Z20818A5
SWITCH-BATTERY DISCONN
18 AWG BLK
Z20836A7
GAUGE-BATTERY DISCHARGE
Z20658A4
Z00008A1
CIRCUIT BRKR SLA-150
BROWN START
RED POWER
WHITE CLAMP
BLUE UNCLAMP
PENDANT
F60473A1
GREEN RIGHT/UP
YELLOW LEFT/DWN
ELECTRICAL SCHEMATIC
24
VERSA II-2K# SP, CLAMP & TILT
Bekijk gratis de handleiding van Valley Craft F89701, stel vragen en lees de antwoorden op veelvoorkomende problemen, of gebruik onze assistent om sneller informatie in de handleiding te vinden of uitleg te krijgen over specifieke functies.
Productinformatie
| Merk | Valley Craft |
| Model | F89701 |
| Categorie | Niet gecategoriseerd |
| Taal | Nederlands |
| Grootte | 5548 MB |







