V-Tac SUN-40K-SG01HP3-EU-BM4 handleiding
Handleiding
Je bekijkt pagina 23 van 52

- 21 -
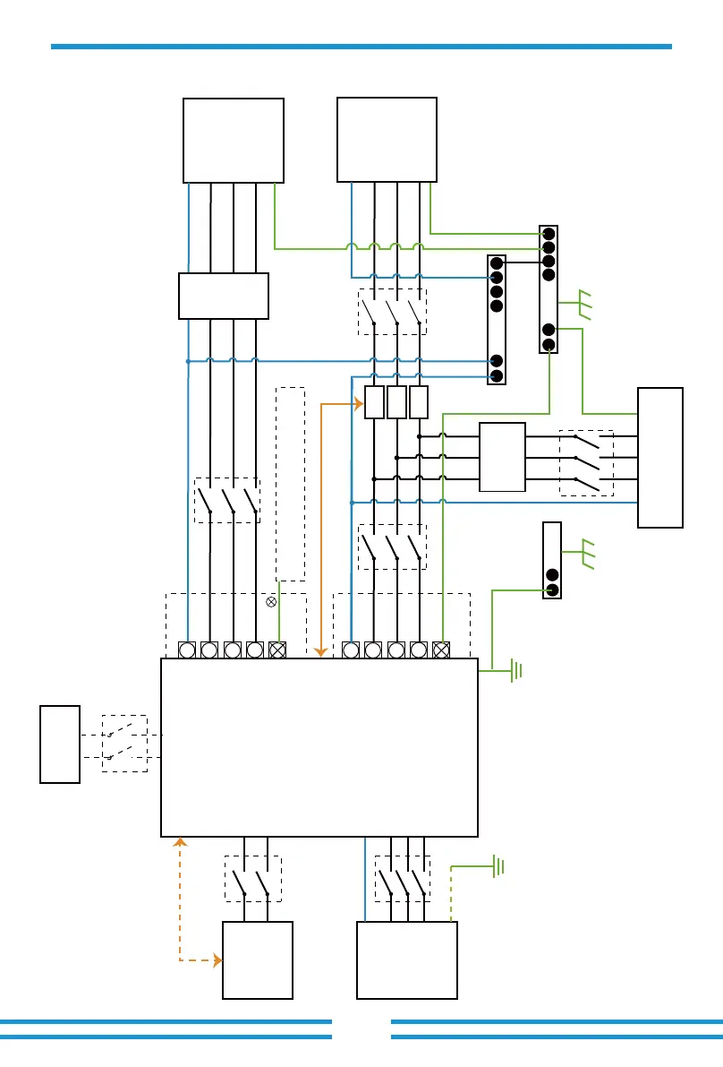
3.9 Wiring System for Inverter
This diagram is an example for an applicaon that neutral connects with the
PE in a distribuon box.
For countries such as Australia, New Zealand, South Africa, etc., please follow
local wiring regula�ons!
E-BAR
GEN
PORT
Load
CT
PE
AC Breaker
L1 L1
N N
L2
Load
PE or
L2
L3
L3
AC Breaker AC Breaker
L1
L1
L1
N
N
N
L2
L2
Grid
PE
L2
L3
PE
PE
L3
L1
N
L2
PE
L3
L3
AC Breaker
Hybrid Inverter
CT1
CT2
CT3
RCD
Home Loads
RCD
E-BAR
Grid
Battery
BMS
DC Breaker
PV
DC Breaker
Inverter case grounding
N-BAR
E-N
Link
Bekijk gratis de handleiding van V-Tac SUN-40K-SG01HP3-EU-BM4, stel vragen en lees de antwoorden op veelvoorkomende problemen, of gebruik onze assistent om sneller informatie in de handleiding te vinden of uitleg te krijgen over specifieke functies.
Productinformatie
| Merk | V-Tac |
| Model | SUN-40K-SG01HP3-EU-BM4 |
| Categorie | Niet gecategoriseerd |
| Taal | Nederlands |
| Grootte | 8305 MB |







