Supermicro SuperServer SYS-5019D-4C-FN8TP handleiding
Handleiding
Je bekijkt pagina 15 van 128

15
Chapter 1: Introduction
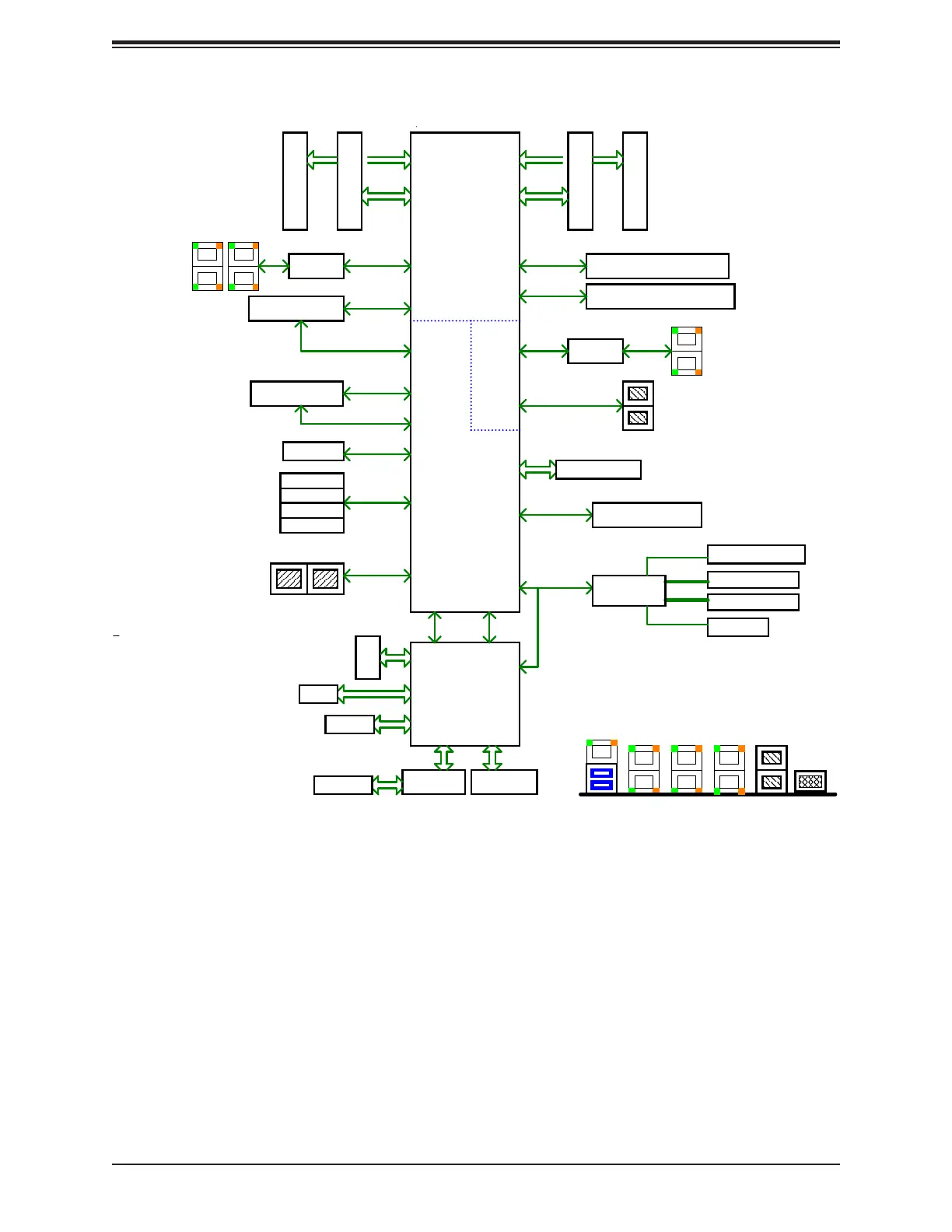
Note: This is a general block diagram and may not exactly represent the features on your
motherboard. See the previous pages for the actual specications of your motherboard.
Figure 1-4. Chipset Block Diagram
eSPI
CPU
U1
SoC
PE1[15:0]
DDR4 DIMM
A1
PE2[7:0]
DDR4 DIMM
B1
DDR4 1866/2133/2400
B
A
DDR4 DIMM
DDR4 DIMM
E
D
KR
PE2[15:12]
PE2[11:8]
PCH
DDR4 1866/2133/2400
SFI
X557-AT2
JLAN3
Flexible I/O
17
10G PHY
Flexible I/O
6,7
Flexible I/O
16
JPCIE2 SLOT6 PCIE 3.0 x16
PCIE 3.0 x16
JPCIE1 SLOT7 PCIE 3.0 x8
PCIE 3.0 x8
Flexible I/O
18~25
Flexible I/O
12~15
Flexible I/O
10
DDR 3
BMC
AST2500
PHY
RTL8211F
VGA CONN
IPMI LAN
SPI
FLASH
PCIE 3.0 x1
Flexible I/O
11
VGA
USB3.0
10G LAN
SFP+
3rd LAN
+
SFP+
PCIE 3.0 x4
JLAN1
I350 AM4
JLAN2
M.2(M-key)CONN
PCIE 3.0 x4
SATA3.0#5
Flexible I/O
8,9
MINI-SAS HD / U.2
PCIE 3.0 p15-x8 /
SATA GEN3 x8
SATA3.0#0
SATA3.0#1
SATA3.0#2
SATA3.0#3
PCIE 3.0 x1
miniPCIe
M.2(B-key)CONN
PCIE 3.0 x2
SATA3.0#4
SATA3.0
M.2(B-key)CONN
USB 2.0 Header
miniPCIe
USB 2.0
USB 2.0 Header
USB2.0 HUB
GL854G
USB 3.0/2.0
USB 3.0 Rear I/O
SPI
COM1
JTPM1 Header
REAR IO
1G LAN
1G LAN
E1
D1
Bekijk gratis de handleiding van Supermicro SuperServer SYS-5019D-4C-FN8TP, stel vragen en lees de antwoorden op veelvoorkomende problemen, of gebruik onze assistent om sneller informatie in de handleiding te vinden of uitleg te krijgen over specifieke functies.
Productinformatie
Merk | Supermicro |
Model | SuperServer SYS-5019D-4C-FN8TP |
Categorie | Niet gecategoriseerd |
Taal | Nederlands |
Grootte | 16328 MB |