Stiebel Eltron FCR 28/120 handleiding
Handleiding
Je bekijkt pagina 96 van 124

96 | FCR 28 www.stiebel-eltron.com
TELEPÍTÉS
Műszaki adatok
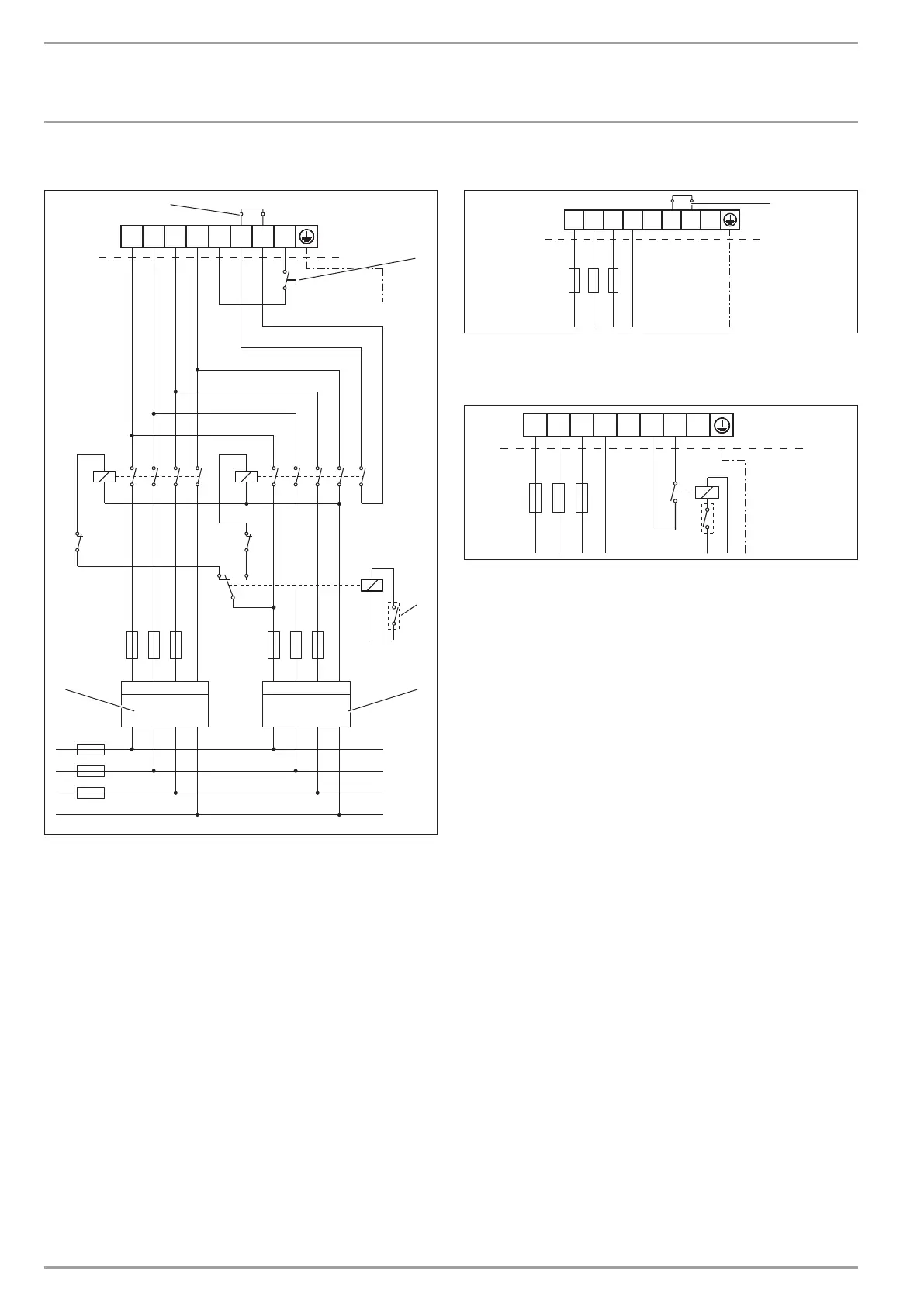
Bekötési példa két mérőóra esetén
L1 L2 L3 N 1 2 3 4
K1 K2
K2 K1
D0000117770
D0000117770
1
34
5
2
K1 1-es megszakító, szakember által beszerelve
K2 2-es megszakító, szakember által beszerelve
1 Nyomógomb gyors felfűtés távvezérlésére, szakember által
beszerelve
2 Szakember által telepített áramszolgáltatói vezérlő
(EVU-érintkező)
3 Vezérelt áram tarifa
4 Normál tarifa
5 Dugaszoló híd
Bekötési példa egykörös üzem esetén
FCR 28/120, rendelési szám: 071332
FCR 28/120 CrNi, rendelési szám: 234503
6kW Teljesítménykapcsoló, I
12kW Teljesítménykapcsoló II
FCR 28/180, rendelési szám: 071333
9kW Teljesítménykapcsoló, I
18kW Teljesítménykapcsoló II
Vezérelt áram érintkező nélkül:
L1 L2 L3 N 1 2 3 4
D00000117556
D0000117556
1
1 Dugaszoló híd
Vezérelt áram érintkezővel:
L1 L2 L3 N 1 2 3 4
D0000117771
D0000117771
1 Szakember által telepített áramszolgáltatói vezérlő
(EVU-érintkező)
Bekijk gratis de handleiding van Stiebel Eltron FCR 28/120, stel vragen en lees de antwoorden op veelvoorkomende problemen, of gebruik onze assistent om sneller informatie in de handleiding te vinden of uitleg te krijgen over specifieke functies.
Productinformatie
| Merk | Stiebel Eltron |
| Model | FCR 28/120 |
| Categorie | Niet gecategoriseerd |
| Taal | Nederlands |
| Grootte | 20189 MB |







