Stiebel Eltron FCR 28/120 handleiding
Handleiding
Je bekijkt pagina 84 van 124

84 | FCR 28 www.stiebel-eltron.com
INSTALACE
Technické údaje
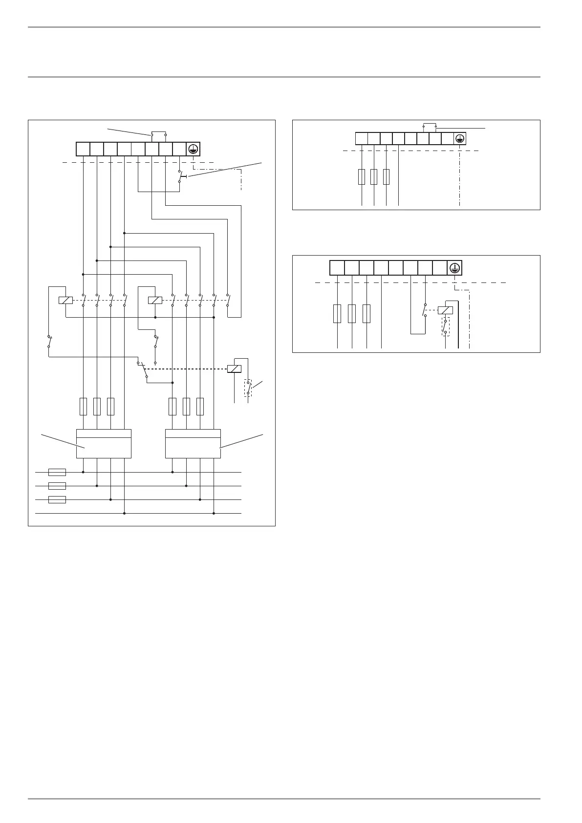
Příklad připojení při měření dvěma elektroměry
L1 L2 L3 N 1 2 3 4
K1 K2
K2 K1
D0000117770
D0000117770
1
34
5
2
K1 Stykač 1, namontovaný odborníkem
K2 Stykač 2, namontovaný odborníkem
1 Tlačítko pro dálkové ovládání rychlého ohřevu, namontované
odborníkem
2 Kontakt HDO, namontovaný odborníkem
3 nízký tarif
4 Vysoký tarif
5 Svorkový můstek
Příklad jednookruhového připojení
FCR 28/120, objednací číslo 071332
FCR 28/120 CrNi, objednací číslo 234503
6kW Výkonový spínač I
12kW Výkonový spínač II
FCR 28/180, objednací číslo 071333
9kW Výkonový spínač I
18kW Výkonový spínač II
Bez kontaktu HDO:
L1 L2 L3 N 1 2 3 4
D00000117556
D0000117556
1
1 Svorkový můstek
S kontaktem HDO:
L1 L2 L3 N 1 2 3 4
D0000117771
D0000117771
1 Kontakt HDO, namontovaný odborníkem
Bekijk gratis de handleiding van Stiebel Eltron FCR 28/120, stel vragen en lees de antwoorden op veelvoorkomende problemen, of gebruik onze assistent om sneller informatie in de handleiding te vinden of uitleg te krijgen over specifieke functies.
Productinformatie
| Merk | Stiebel Eltron |
| Model | FCR 28/120 |
| Categorie | Niet gecategoriseerd |
| Taal | Nederlands |
| Grootte | 20189 MB |







