Stiebel Eltron FCR 28/120 handleiding
Handleiding
Je bekijkt pagina 72 van 124

72 | FCR 28 www.stiebel-eltron.com
INSTALACJA
Dane techniczne
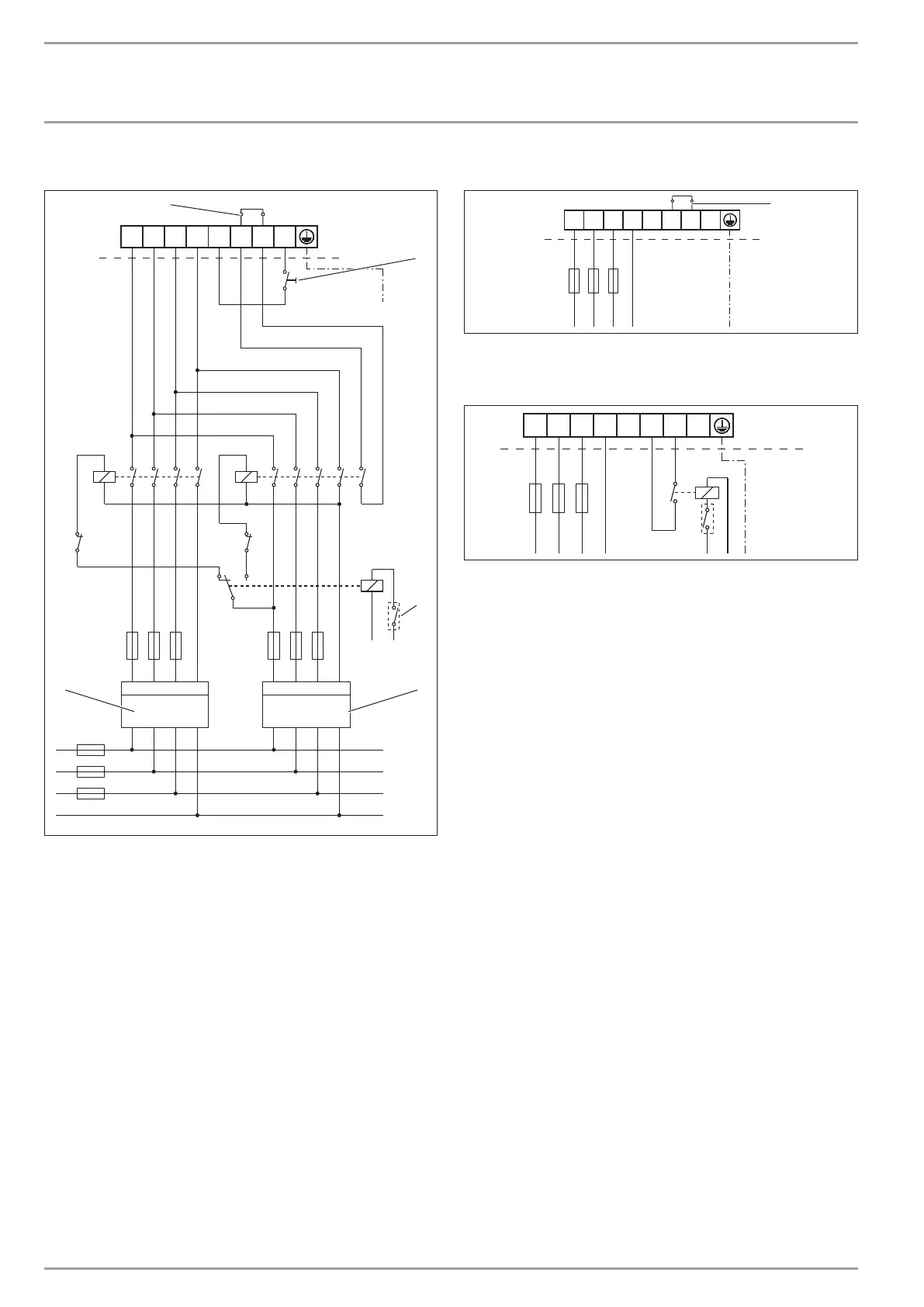
Przykładowe połączenie pomiaru dwulicznikowego
L1 L2 L3 N 1 2 3 4
K1 K2
K2 K1
D0000117770
D0000117770
1
34
5
2
K1 Stycznik 1, zamontowany przez wyspecjalizowanego
instalatora
K2 Stycznik 2, zamontowany przez wyspecjalizowanego
instalatora
1 Przycisk do panelu obsługowego szybkiego nagrzewania,
montowany przez wyspecjalizowanego instalatora
2 Styk ZE, zamontowany przez wyspecjalizowanego instalatora
3 Niska taryfa
4 Wysoka taryfa
5 Mostek zaciskowy
Przykładowe połączenie trybu jednotaryfowego
FCR 28/120, numer katalogowy 071332
FCR 28/120 CrNi, numer katalogowy 234503
6kW Wyłącznik mocy I
12kW Wyłącznik mocy II
FCR 28/180, numer katalogowy 071333
9kW Wyłącznik mocy I
18kW Wyłącznik mocy II
Bez styku ZE:
L1 L2 L3 N 1 2 3 4
D00000117556
D0000117556
1
1 Mostek zaciskowy
Ze stykiem ZE:
L1 L2 L3 N 1 2 3 4
D0000117771
D0000117771
1 Styk ZE, zamontowany przez wyspecjalizowanego instalatora
Bekijk gratis de handleiding van Stiebel Eltron FCR 28/120, stel vragen en lees de antwoorden op veelvoorkomende problemen, of gebruik onze assistent om sneller informatie in de handleiding te vinden of uitleg te krijgen over specifieke functies.
Productinformatie
| Merk | Stiebel Eltron |
| Model | FCR 28/120 |
| Categorie | Niet gecategoriseerd |
| Taal | Nederlands |
| Grootte | 20189 MB |







