Stiebel Eltron FCR 28/120 handleiding
Handleiding
Je bekijkt pagina 36 van 124

36 | FCR 28 www.stiebel-eltron.com
INSTALLATION
Caractéristiques techniques
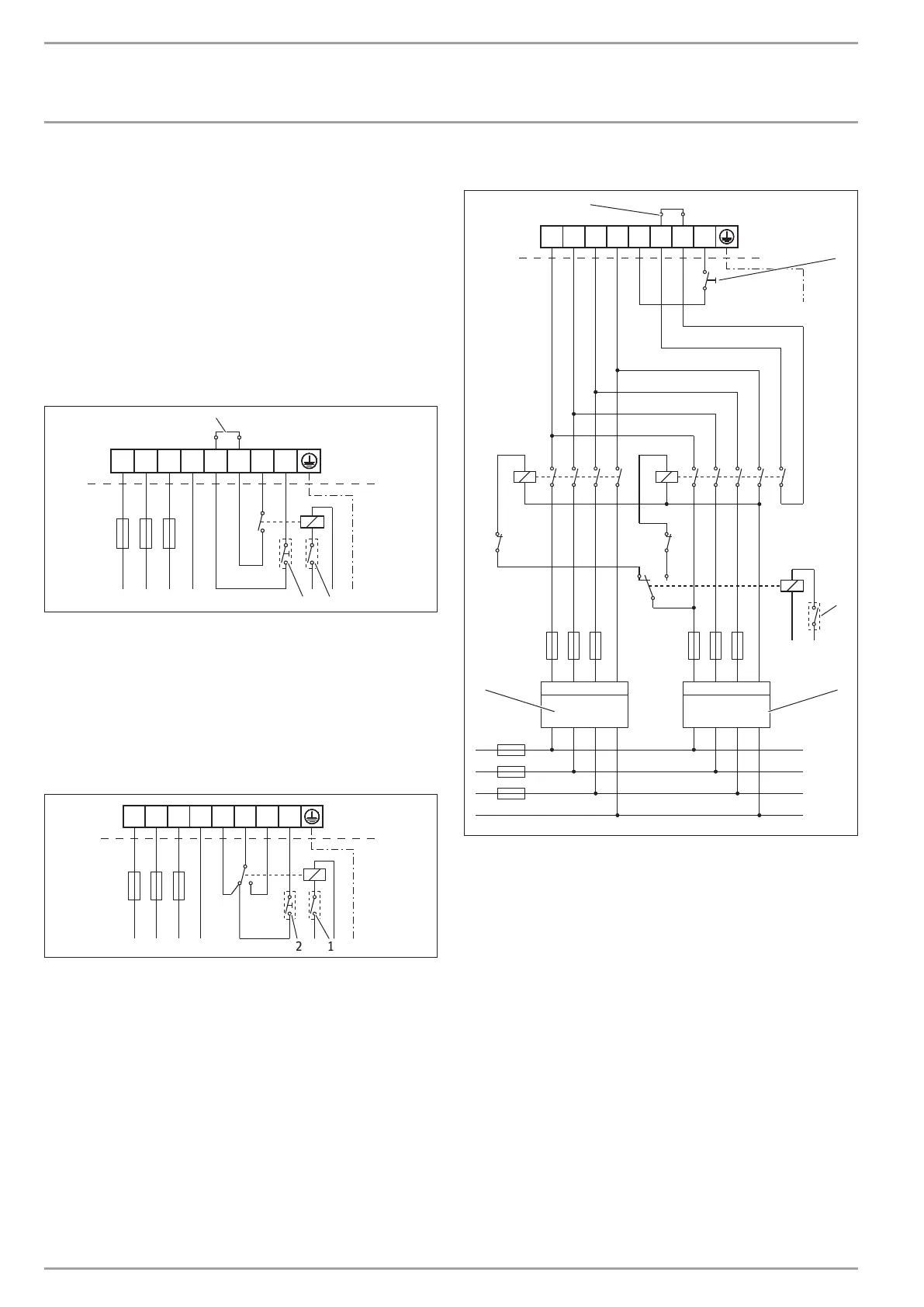
Exemple de raccordement mode double puissance
FCR 28/120, réf. cde 071332
FCR 28/120 CrNi, réf. cde 234503
6/12kW Disjoncteur I
12/12kW Disjoncteur II
FCR 28/180, réf. cde 071333
9/18kW Disjoncteur I
18/18kW Disjoncteur II
Variante 1 :
L1 L2 L3 N 1 2 3 4
D0000117769
D0000117769
12
3
1 Contact d’interdiction tarifaire, monté par un professionnel
2 Touche pour la commande à distance de la chauffe rapide,
montée par un professionnel
3 Pont de serrage
Pendant la période des heures creuses (validation par le four-
nisseur d’énergie), il est possible d’enclencher la chauffe rapide
(heures pleines).
Variante 2:
L1 L2 L3 N 1 2 3 4
D0000117755
D0000117555
12
1 Contact d’interdiction tarifaire, monté par un professionnel
2 Touche pour la commande à distance de la chauffe rapide,
montée par un professionnel
Pendant la période des heures creuses (validation par le fournis-
seur d’énergie), il n’est possible d’enclencher la chauffe rapide
(heures pleines) qu’en position II du disjoncteur.
Exemple de raccordement de mesure à double compteur
L1 L2 L3 N 1 2 3 4
K1 K2
K2 K1
D0000117770
D0000117770
1
34
5
2
K1 Contacteur 1, monté par un professionnel
K2 Contacteur 2, monté par un professionnel
1 Touche pour la commande à distance de la chauffe rapide,
montée par un professionnel
2 Contact d’interdiction tarifaire, monté par un professionnel
3 Heures creuses
4 Heures pleines
5 Pont de serrage
Exemple de raccordement mode simple puissance
FCR 28/120, réf. cde 071332
FCR 28/120 CrNi, réf. cde 234503
6kW Disjoncteur I
12kW Disjoncteur II
FCR 28/180, réf. cde 071333
9kW Disjoncteur I
18kW Disjoncteur II
Bekijk gratis de handleiding van Stiebel Eltron FCR 28/120, stel vragen en lees de antwoorden op veelvoorkomende problemen, of gebruik onze assistent om sneller informatie in de handleiding te vinden of uitleg te krijgen over specifieke functies.
Productinformatie
| Merk | Stiebel Eltron |
| Model | FCR 28/120 |
| Categorie | Niet gecategoriseerd |
| Taal | Nederlands |
| Grootte | 20189 MB |







