Soler & Palau UTBS PRO-REG ECOWATT handleiding

96 pagina's
PDF beschikbaar

Handleiding

Je bekijkt pagina 40 van 96
40
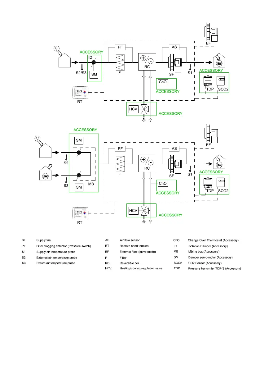
Versions with reversible water coil

Bekijk gratis de handleiding van Soler & Palau UTBS PRO-REG ECOWATT, stel vragen en lees de antwoorden op veelvoorkomende problemen, of gebruik onze assistent om sneller informatie in de handleiding te vinden of uitleg te krijgen over specifieke functies.

Productinformatie

MerkSoler & Palau
ModelUTBS PRO-REG ECOWATT
CategorieNiet gecategoriseerd
TaalNederlands
Grootte10463 MB