Handleiding
Je bekijkt pagina 24 van 32

Transformator
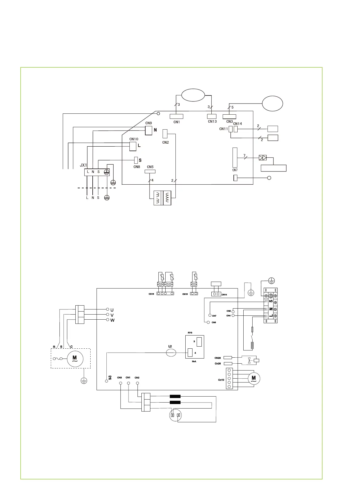
Elektrisch schema
RVT 261-351DC IT
RVT 261-351DC AT
Netaansluiting
230V / 1~ /50 Hz
naar buitenunit
Sensor circulatie
C
R
Y
Y/G
R
W
Automatische
herstart
Sensor
Verdamper
Weergave-
display
Pendelmotor
R
S
C
U
V
W
RY3
4
CN6
CN7
CN5
CN4
CN28
Cn26
N-B
CN3
CN2
CN1
CN15
CN14
CN16
L2
N-A
3
~
~
Cn10
Sensor luchtinlaat
Sensor
Verdamper
Weergave-
display
Zekering1A 250V
Sensor condensor
Sensor OLP
Sensor SL
Thermostaat
Carterverwarming
Keerklep
Condensorventilator
Condensator
Smoorspoel R6025C
Smoorspoel R1310/1514
Compressor
R
Y/G
Y/G
Y/G
C
B
BW
Y
R
R O Y
O
Y
B
A
Verdamperventilator
Kleurmarkering
A = bruin
B = blauw
C = zwart
Y = geel
R = rood
W = wit
Y/G = geel/groen
O = oranje
REMKO RVT...DC
24
Bekijk gratis de handleiding van REMKO RVT 521 DC, stel vragen en lees de antwoorden op veelvoorkomende problemen, of gebruik onze assistent om sneller informatie in de handleiding te vinden of uitleg te krijgen over specifieke functies.
Productinformatie
| Merk | REMKO |
| Model | RVT 521 DC |
| Categorie | Airco |
| Taal | Nederlands |
| Grootte | 7867 MB |







