Rangemaster Encore Deluxe 90 Dual Fuel handleiding
Handleiding
Je bekijkt pagina 37 van 44

33
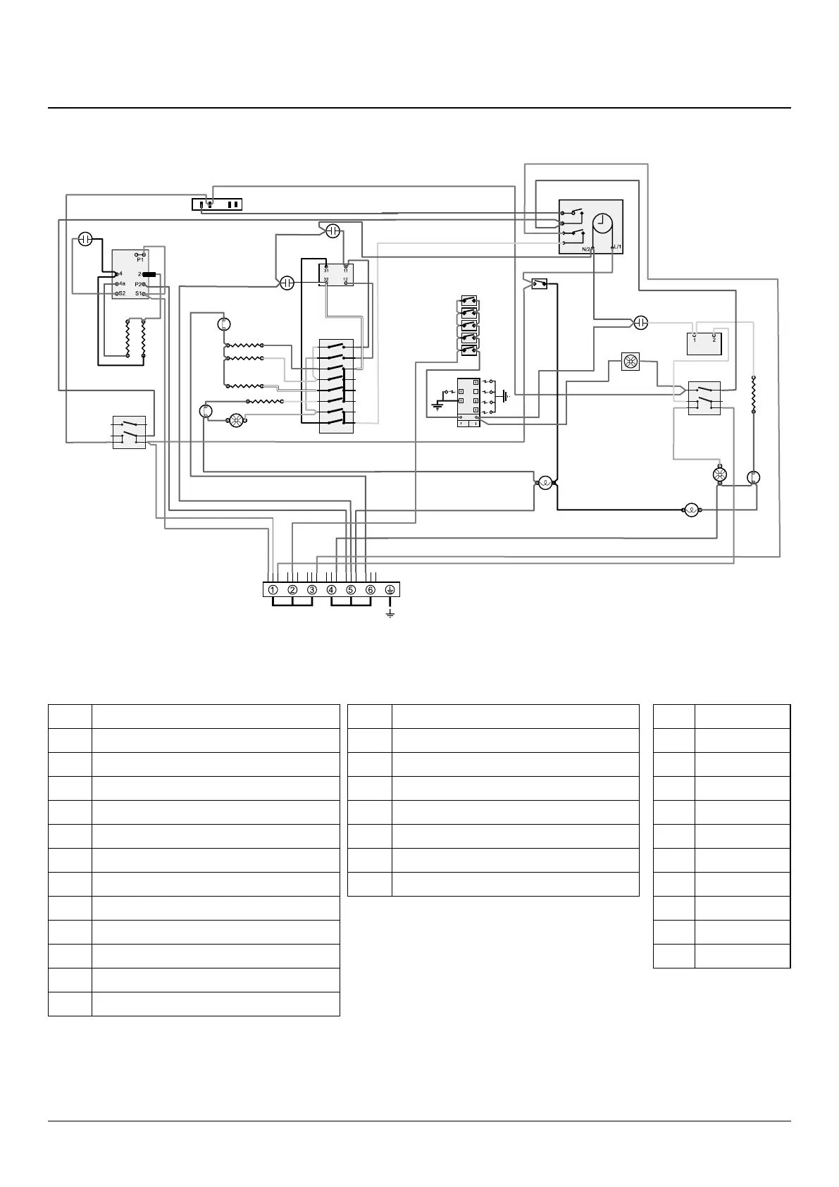
10. Circuit Diagram
6
P6
5P5
4
P4
7 P7
8P8
2
P2
1P1
3P3
P038434
E
LN
P095199
1
2
P2
P1
P095199
1
2
P2
P1
a
b
e
f
c
d
1
2
v
br
br
bk
b
y
o
bk
b
bk
bb
bk
b
br
br
br
r
b
b
bk
b
b
bbb
bk
r
y
b
y
o
y
br
br
y
y
v
v
r
r
br
br
b
r
r
b
bk
w
v
r
v
r
w
r
gr
w
bk
o
o
y
r
b
b
b
br
o
w
y
b
b
b
r
o
b
b
b
br
y
b
bk
gr
w
v
Y
b
b
br
br
br
v
v
v
v
v
r
r
v
br
b
br
br
br
br
br
v
v
v
v
v
X02
X01
X05
X03 X04
X07
X10
X06
X11
X09
X16
X12
X31
X31
X15
X16
X26
X26
X26
X27
X32
X14
X17
X08
X27
X26
X24
X27
H2
X28
X30
Key
The connections shown in the circuit diagram are for single-phase. The ratings are for 230 V 50 Hz.
Code Colour
b
Blue
br
Brown
bk
Black
or
Orange
r
Red
v
Violet
w
White
y
Yellow
g/y
Green/yellow
gr
Grey
Code Description
X01
Grill front switch
X02
Grill energy control
X03
Left Hand Grill Element
X05
Left Hand Oven Thermostat
X06
Left Hand Oven Multifunction Switch
X07
Left Hand Oven Front Switch
X08
Left Hand Oven Base Element
X09
Left Hand Oven Fan Element
X10
Left Hand Oven Top Outer Element
X11
Left Hand Oven Top Inner Element
X12
Right Hand Oven Thermostat
X17
Clock / Timer
Code Description
X24
Cooling fan
X26
Neon
X27
Themal cut out
X28
Ignition switches
X30
Spark generator
X31
Oven light
X32
Oven light switch
Bekijk gratis de handleiding van Rangemaster Encore Deluxe 90 Dual Fuel, stel vragen en lees de antwoorden op veelvoorkomende problemen, of gebruik onze assistent om sneller informatie in de handleiding te vinden of uitleg te krijgen over specifieke functies.
Productinformatie
Merk | Rangemaster |
Model | Encore Deluxe 90 Dual Fuel |
Categorie | Fornuis |
Taal | Nederlands |
Grootte | 8367 MB |
Caratteristiche Prodotto
Soort bediening | Draaiknop |
Ingebouwd display | Ja |
Gewicht | 111170 g |
Breedte | 900 mm |
Diepte | 650 mm |