Rane SM 82S handleiding
Handleiding
Je bekijkt pagina 11 van 32

SM82S
STEREO LINE MIXER
Data Sheet-3
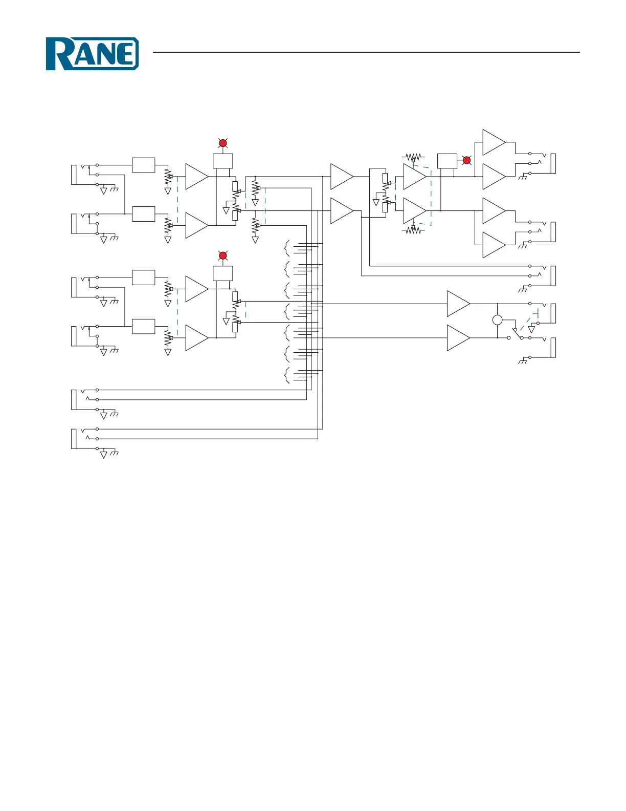
Block Diagram
LEFT
(MONO)
INPUT
CHANNEL 1
+6 dB
BALANCE
INPUT
RIGHT
LEFT
(MONO)
INPUT
RIGHT
RFI
FILTER
FILTER
RFI
INPUT
LEVEL
+6 dB
INPUT
OVERLOAD
OL
SENSE
CH 2
LEVEL
SEND
RIGHT MAIN
RIGHT SEND
LEFT MAIN
LEFT SEND
R
R
L
L
L
L
R
R
CH 3
L
L
R
R
CH 4
L
L
R
R
CH 5
L
L
R
R
CH 6
L
L
R
R
CH 7
L
L
R
R
CH 8
0 dB
0 dB
SUMMING
AMPLIFIERS
DRIVERS
BALANCED
BALANCED
DRIVERS
OUTPUT
BALANCE
AMPLIFIERS
SUMMING
0 dB
0 dB
+
L+R
LOOP
SENDS
RIGHT
LEFT
OUT
EXPAND
MAIN
RING
TIP
RIGHT
LEFT
+6 dB
+6 dB
LEVEL
OUTPUT
SENSE
OL
OVERLOAD
OUTPUT
LEFT
RIGHT
MAIN
OUTPUTS
SENSE
OL
OVERLOAD
RECEIVE
+6 dB
LEVEL
RECEIVE
RFI
FILTER
FILTER
RFI
RIGHT
INPUT
RECEIVE
BALANCE
+6 dB
RETURNS
INPUT
(MONO)
LEFT
LOOP
LEFT
RIGHT
TIP
RING
MAIN
EXPAND
INPUT
INPUT
EXPAND
LOOP
RING
TIP
RIGHT
LEFT
Architectural Specifications
e line level stereo mixer unit shall have eight (8) stereo (total
of 16) inputs, one main stereo output pair, one stereo loop send
pair, one stereo loop receive pair, loop and main stereo expand
inputs, and one stereo main expand output. All inputs, as well as
the loop send output, shall be congured such that plugging only
into the left input (or output) will mono the system. Each stereo
input shall have a rotary ganged level control with a range of o
to +6 dB gain and a separate input overload LED. Separate +6
dB gain master rotary ganged stereo output level control shall be
provided. In addition, stereo slider-type balance controls shall be
provided for all inputs and outputs, along with stereo slider-type
send level controls on all inputs.
Complete stereo expansion capabilities shall be provided to
allow any number of similar units to be coupled together.
e inputs shall be high impedance (100 kΩ) unbalanced
designs terminated with ¼" TS (tip-sleeve) connectors.
e outputs shall be active dierentially balanced with bal-
anced output impedance equal to 200 Ω terminated with ¼"
TRS (tip-ring-sleeve) connectors. RFI lters shall be provided.
e unit shall be capable of operation by means of its own
built-in universal power supply operating at 100-240 VAC and
meet CE requirements. e unit shall be UL and cUL listed.
e unit shall be constructed entirely from cold-rolled steel, and
mount into a standard EIA relay rack occupying 1 rack-space.
e unit shall be a Rane Corporation Model SM82S.
Bekijk gratis de handleiding van Rane SM 82S, stel vragen en lees de antwoorden op veelvoorkomende problemen, of gebruik onze assistent om sneller informatie in de handleiding te vinden of uitleg te krijgen over specifieke functies.
Productinformatie
Merk | Rane |
Model | SM 82S |
Categorie | Niet gecategoriseerd |
Taal | Nederlands |
Grootte | 5061 MB |