MSW -CCTR-8PU handleiding

22 pagina's
PDF beschikbaar

Handleiding

Je bekijkt pagina 18 van 22
EN
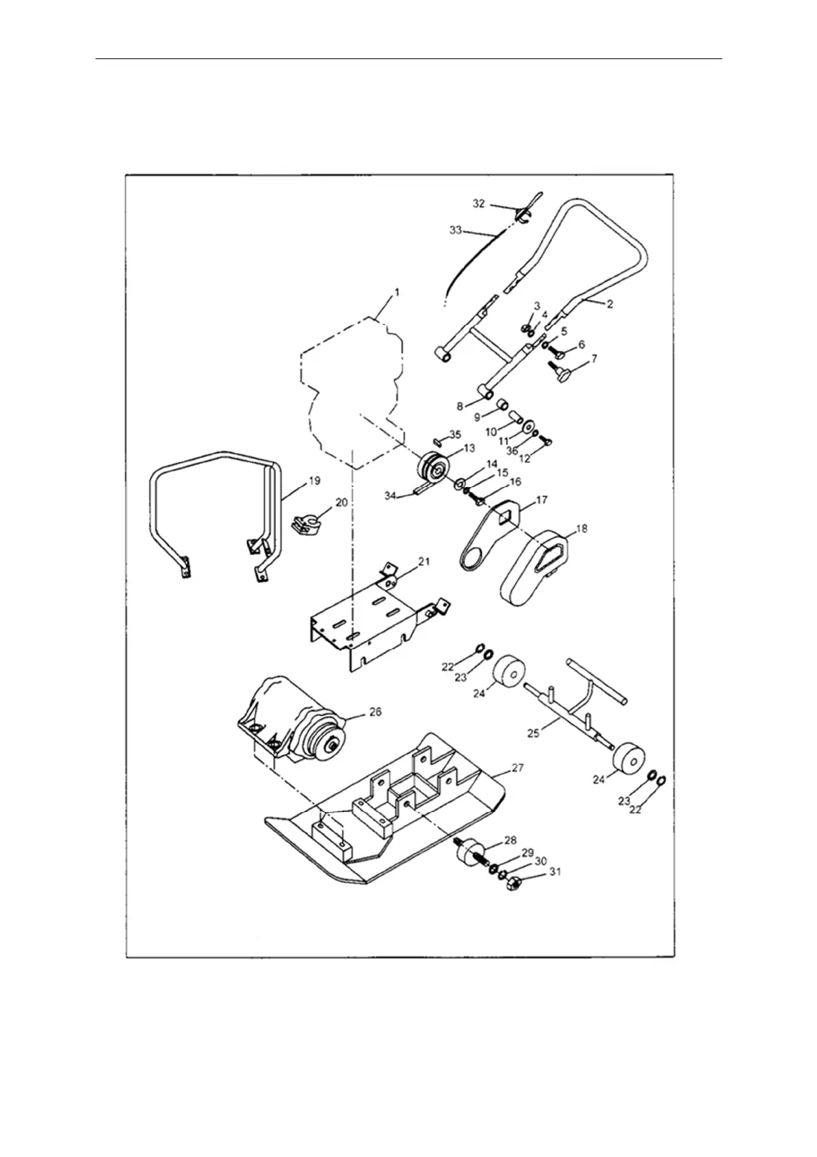
3.5. Parts list
MAJOR COMPONENTS LIST

Bekijk gratis de handleiding van MSW -CCTR-8PU, stel vragen en lees de antwoorden op veelvoorkomende problemen, of gebruik onze assistent om sneller informatie in de handleiding te vinden of uitleg te krijgen over specifieke functies.

Productinformatie

MerkMSW
Model-CCTR-8PU
CategorieNiet gecategoriseerd
TaalNederlands
Grootte4224 MB