Minuteman X17 handleiding

38 pagina's
PDF beschikbaar

Handleiding

Je bekijkt pagina 33 van 38
Page 33
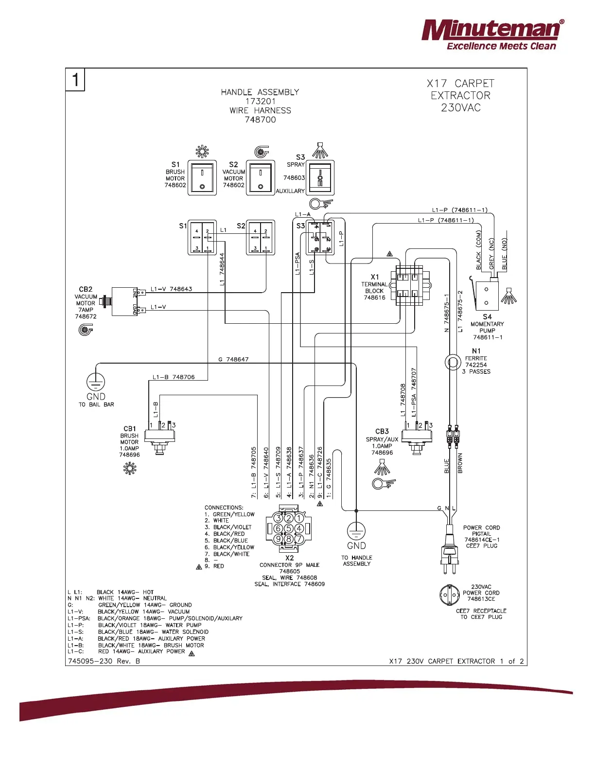
Parts Manual - X17 ECO EXTRACTOR
Wiring Diagrams - 230V
Wiring Schematic 230V, Handle Assembly

Bekijk gratis de handleiding van Minuteman X17, stel vragen en lees de antwoorden op veelvoorkomende problemen, of gebruik onze assistent om sneller informatie in de handleiding te vinden of uitleg te krijgen over specifieke functies.

Productinformatie

MerkMinuteman
ModelX17
CategorieNiet gecategoriseerd
TaalNederlands
Grootte8480 MB