Handleiding
Je bekijkt pagina 33 van 44

10
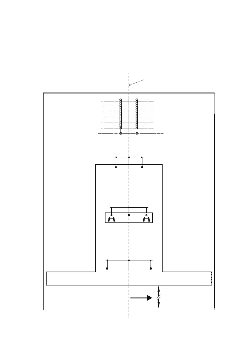
Installation de la vis de montage de la hotte:
1
2
3
Déterminez et marquez l’axe central du mur où la hotte sera installée.
Choisissez une hauteur de montage comprise entre un minimum de 25.6'' et un
maximum suggéré de 29.53'' au-dessus de la cuisinière jusqu’au bas de la hotte.
Tracez une ligne de référence sur le mur.
Collez le gabarit en place, en alignant la ligne médiane du gabarit et le bas du gabarit
avec la ligne inférieure de la hotte et avec la ligne médiane marquée sur le mur.
REMARQUE: assurez-vous que les lignes horizontales sont de niveau avant de marquer
l’emplacement des trous.
25.6'' min à la surface de cuisson
29.53'' max à la surface de cuisson
Ligne médiane des
armoires et/ou de la
table de cuisson
2.36"
3.15"
3.94" 3.94"
3.15"
2.36"
Bekijk gratis de handleiding van Midea MVT30W9AST, stel vragen en lees de antwoorden op veelvoorkomende problemen, of gebruik onze assistent om sneller informatie in de handleiding te vinden of uitleg te krijgen over specifieke functies.
Productinformatie
| Merk | Midea |
| Model | MVT30W9AST |
| Categorie | Afzuigkap |
| Taal | Nederlands |
| Grootte | 2812 MB |







