Handleiding
Je bekijkt pagina 8 van 56

07
PRODUKTINSTALLATION
Wandbohrungen Und Halterungsbefestigung
A
B
B
80
135
112.5 112.5
135
80
40
21
20
10
10
12
10
11
11
11
40
1270-1560
887
530
717
840
(OPTIONAL)
OPTIONAL
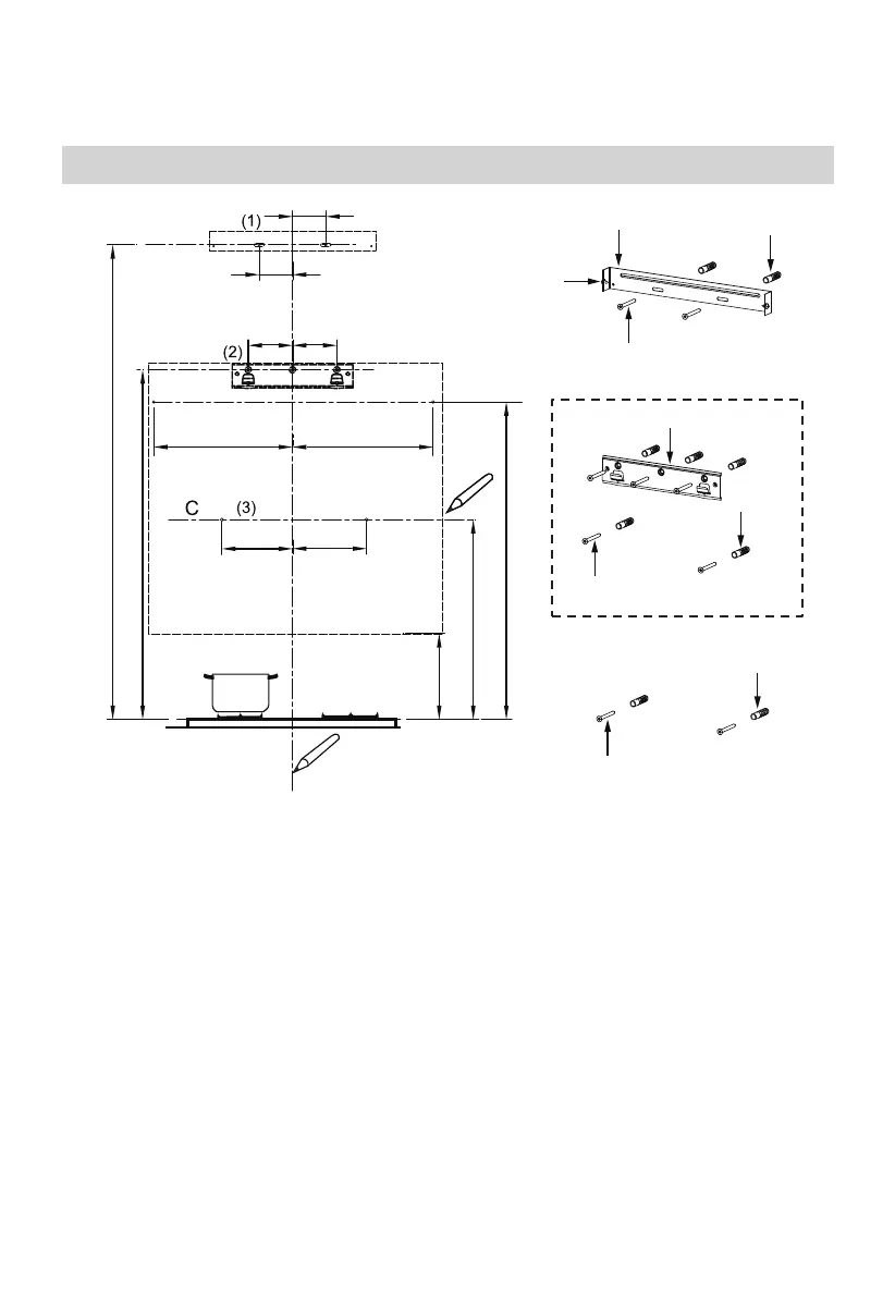
Fahren Sie in einem ersten Schritt mit den folgenden Zeichnungen
fort:
• Eine vertikale Linie bis zur Decke oder bis zur oberen Grenze, in der Mitte des
Bereichs, in dem die Haube angebracht werden soll.
• Eine horizontale Linie A bei 1270 bis 1560 mm über der Kochplatte.
• Eine horizontale Linie B mindestens 887 (840 optional) mm über der Herdplatte.
• Eine horizontale Linie C mindestens 717 mm über der Herdplatte.
Bekijk gratis de handleiding van Midea MH90J76M21BB, stel vragen en lees de antwoorden op veelvoorkomende problemen, of gebruik onze assistent om sneller informatie in de handleiding te vinden of uitleg te krijgen over specifieke functies.
Productinformatie
| Merk | Midea |
| Model | MH90J76M21BB |
| Categorie | Afzuigkap |
| Taal | Nederlands |
| Grootte | 3639 MB |







