Handleiding
Je bekijkt pagina 6 van 24

6
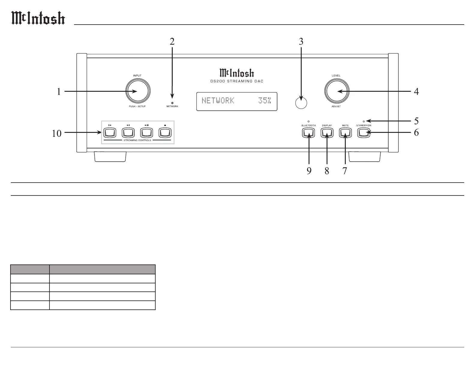
1. INPUT knob rotates to select dierent
input sources for playback and navigate
through dierent options in the menus.
Access menus by holding or pressing the
knob in.
2. NETWORK LED will light up in the
following ways:
3. IR Sensor receives commands from your
remote control.
Front Panel Displays and Switches
4. LEVEL/ADJUST knob adjusts the output
level when “Adjustable” is selected in the
setup menu. Also used to navigate in the
menus and trims.
5. STANDBY/ON Indicator LED
illuminates when the DS200 is connected
to AC power.
6. STANDBY/ON button turns the DS200
On and O.
7. MUTE button will mute and unmute the
audio outputs. (Active in Adjustable output
mode only.)
8. DISPLAY button will cycle through
the various signal format information,
as provided by the connected device or
service.
9. BLUETOOTH button places the DS200
into Pairing mode. The LED will ash
during Pairing mode, and will light solid
when connected to a Bluetooth device.
10. STREAMING CONTROLS allows
Play, Stop, Next, and Back soundtrack
control with selected streaming services,
and of Bluetooth connections.
Note: Not every device and connection
type allows each control function. The
backlite nomenclature serves as a general
guide.
LED Status
Amber
DS200 is in process of joining the network
Green solid
Connected to the network
Red solid
A network error has occurred
Red slow pulse
Firmware requires an upgrade
Bekijk gratis de handleiding van McIntosh DS200, stel vragen en lees de antwoorden op veelvoorkomende problemen, of gebruik onze assistent om sneller informatie in de handleiding te vinden of uitleg te krijgen over specifieke functies.
Productinformatie
| Merk | McIntosh |
| Model | DS200 |
| Categorie | Speaker |
| Taal | Nederlands |
| Grootte | 4494 MB |