Lutron Caseta DVRF-6L-WH handleiding
Handleiding
Je bekijkt pagina 29 van 30

®
SPECIFICATION SUBMITTAL Page
Job Name:
Job Number:
Model Numbers:
Caséta by Lutron Load Controls
369987l 29 2.24.23
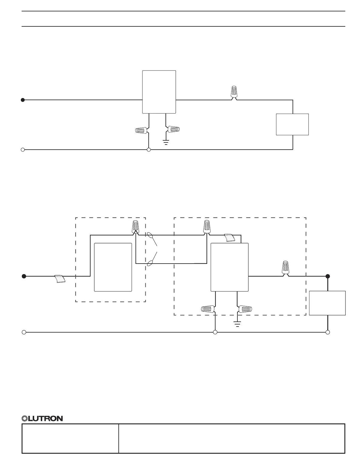
Wiring Diagrams - Fan Controls
Single Pole Installation (load is controlled from 1 location)
PD-FSQN
PD-FSQN
Ceiling Fan
Line / Hot
Neutral
Green
Ground
Black Yellow
120 V~
50 / 60 Hz
White
3-Way Installation (load is controlled from 2 locations)
Option 1: With Pico remote controls
PJ2-2B-xx and wallbox mounting adapters (PICO-WBX-ADAPT)
Black
Black
PD-FSQN
Pico
Remote
Control and
Wallbox
Mounting
Adapter
1
Ceiling Fan
Line / Hot
Neutral
GreenWhite
Ground
Yellow
120 V~
50 / 60 Hz
Travelers
PD-FSQN
Location 1 Location 2
1
The mechanical switch will need to be removed so the Pico remote control can be installed.
29
Bekijk gratis de handleiding van Lutron Caseta DVRF-6L-WH, stel vragen en lees de antwoorden op veelvoorkomende problemen, of gebruik onze assistent om sneller informatie in de handleiding te vinden of uitleg te krijgen over specifieke functies.
Productinformatie
| Merk | Lutron |
| Model | Caseta DVRF-6L-WH |
| Categorie | Niet gecategoriseerd |
| Taal | Nederlands |
| Grootte | 3733 MB |

