Lutron Caseta DVRF-6L-WH handleiding
Handleiding
Je bekijkt pagina 21 van 30

®
SPECIFICATION SUBMITTAL Page
Job Name:
Job Number:
Model Numbers:
Caséta by Lutron Load Controls
369987l 21 2.24.23
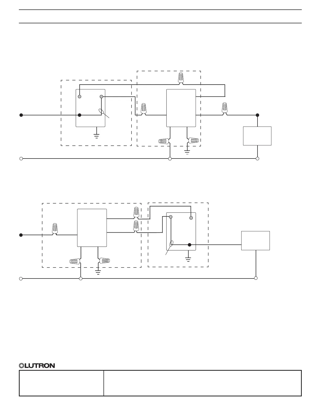
Wiring Diagrams - Dimmers (continued)
3-Way Installation (load is controlled from 2 locations)
Option 1: With mechanical switch
Location 2
Location 2
PD-10N XD
Mechanical
Switch
1
Brass
Brass
Load
Line / Hot
Neutral
GreenWhite
Ground
Ground
Black Red
2
Blue
120 V~
50 / 60 Hz
Black
Jumper
wire
PD-10NXD (Load-side)
Ground
GreenWhite
Line / Hot
Neutral
120 V~
50 / 60 Hz
Black
Red
2
Blue
Brass
Jumper wire
Black
Brass
Load
PD-10N XD
PD-10NXD (Line-side)
Mechanical
Switch
1
Ground
Location 1
Location 1
21
Bekijk gratis de handleiding van Lutron Caseta DVRF-6L-WH, stel vragen en lees de antwoorden op veelvoorkomende problemen, of gebruik onze assistent om sneller informatie in de handleiding te vinden of uitleg te krijgen over specifieke functies.
Productinformatie
| Merk | Lutron |
| Model | Caseta DVRF-6L-WH |
| Categorie | Niet gecategoriseerd |
| Taal | Nederlands |
| Grootte | 3733 MB |

