Lincoln Electric Prism Wall Mount handleiding
Handleiding
Je bekijkt pagina 31 van 36

F-7
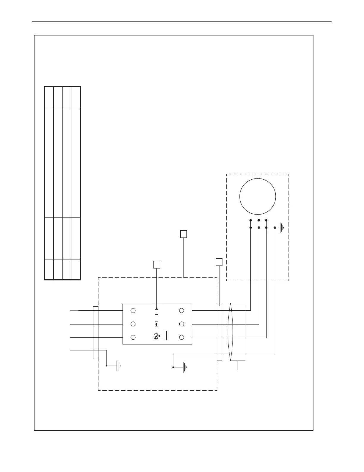
DIAGRAMS
NOTE: This diagram is for reference only. It may not be accurate for all machines covered by this manual. The specific diagram for a particular code is pasted
inside the machine on one of the enclosure panels. If the diagram is illegible, write to the Service Department for a replacement. Give the equipment code number.
A.02
INPUT POWER 230V/3PH/60Hz
A
B
C
1
3
5
1
GND
2 4 6
4 CORE 16AWG CABLE
FAN MOTOR
MOTOR
W1
V2
V1
U2
U1
W2
GND
GND
L3
A
L2
L1
T3
T1 T2
230V, 3PH,
2HP,
60Hz
MOTOR
SET AT
6.3 A
4-6.3A
STOP START
3
2
ITEM
PART NO. DESCRIPTION QTY
1 FC0328260100
4-6.3A MOTOR PROTECTION CIRCUIT BREAKER 1
2
FC0342050170
CABLE GLAND OF METRIC THREAD - M25 (BLACK) 2
3 FC0802060020 HOUSING MPS
1
MOTOR STARTER PRISM 4200, 230V, 3ph, 60Hz, 2HP
PRISM
®
WALL MOUNT
Bekijk gratis de handleiding van Lincoln Electric Prism Wall Mount, stel vragen en lees de antwoorden op veelvoorkomende problemen, of gebruik onze assistent om sneller informatie in de handleiding te vinden of uitleg te krijgen over specifieke functies.
Productinformatie
| Merk | Lincoln Electric |
| Model | Prism Wall Mount |
| Categorie | Niet gecategoriseerd |
| Taal | Nederlands |
| Grootte | 5014 MB |






