Lincoln Electric Prism Wall Mount handleiding
Handleiding
Je bekijkt pagina 29 van 36

F-5
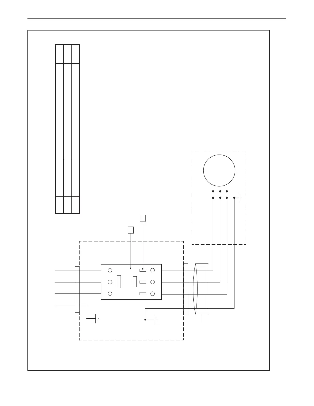
DIAGRAMS
NOTE: This diagram is for reference only. It may not be accurate for all machines covered by this manual. The specific diagram for a particular code is pasted
inside the machine on one of the enclosure panels. If the diagram is illegible, write to the Service Department for a replacement. Give the equipment code number.
A.02
INPUT POWER 230V/3PH/60Hz
A
B
C
1
3
5
START
STOP
1
GND
2 4 6
4 CORE 16AWG CABLE
2
FAN MOTOR
MOTOR
W1
V2
V1
U2
U1
W2
GND
GND
L3
A
L2
L1
T3
T1 T2
230V, 3PH,
2HP,
60Hz
MOTOR
ITEM PART NO. DESCRIPTION QTY
1 FC0328270600 MANUAL START
1
2
FC0340020110
OVERLOAD HEATER
3
MOTOR STARTER (HEAVY DUTY) PRISM 4200, 230V, 3ph, 60Hz, 2HP
PRISM
®
WALL MOUNT
Bekijk gratis de handleiding van Lincoln Electric Prism Wall Mount, stel vragen en lees de antwoorden op veelvoorkomende problemen, of gebruik onze assistent om sneller informatie in de handleiding te vinden of uitleg te krijgen over specifieke functies.
Productinformatie
| Merk | Lincoln Electric |
| Model | Prism Wall Mount |
| Categorie | Niet gecategoriseerd |
| Taal | Nederlands |
| Grootte | 5014 MB |






