Legrand Ensto Pro EVF200 handleiding
Handleiding
Je bekijkt pagina 24 van 40

RAK112B_ENG / 2023-06-27
24 / 40
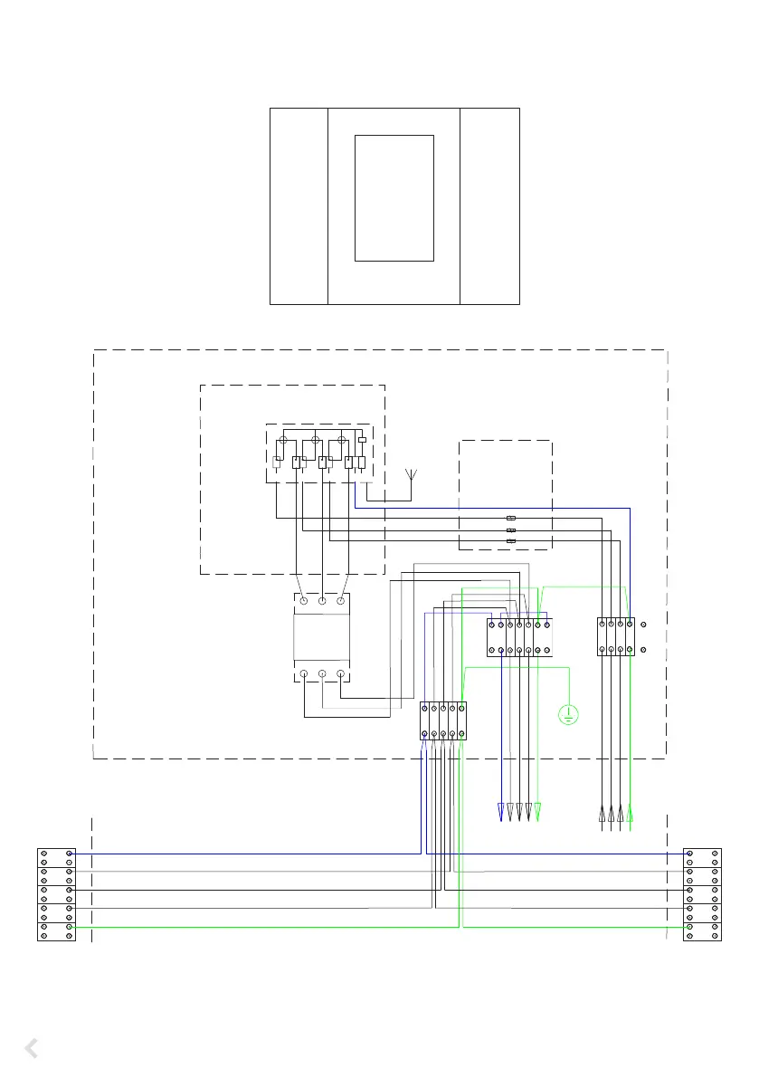
EVF300 Internal Circuit, Main Board Example
NOTE! If phase rotation is necessary, it can be done with charging point 1 and 2 supply terminals
(L1, L2, L3). The phase rotation must be done in accordance with the electrical plan.
F0
63A
L1
L2
L3
Q1
Switch
80A
L1 L2 L3
L1 L2 L3
L - max. 50mm Cu/Al
N - max. 50mm Cu/Al
PE - max. 50mm Cu/Al
L - max. 50mm Cu
N - max. 50mm Cu
L1
L1
L1
L2
L2
L2
L3
L3
L3
N
N
PE
PEN
PEN
L3L2L1 NPE
L3L2L1 NPE
T
1
1
3
3
4
4
6
6
7
7
9
9
10
10
12
12
The distribution cabinet is
delivered empty.
The layout and contents varies
depending on local needs and
requirements.
EVF300
MAIN
BOARD
MAIN BOARD
MAIN SWITCH
Chaining
CHARGING POINT 1 CHARGING POINT 2
CHARGING POINT 1
CHARGING POINT 2
Supply
Supply
terminals
kWh meter
EXAMPLE OF LAYOUT
Bekijk gratis de handleiding van Legrand Ensto Pro EVF200, stel vragen en lees de antwoorden op veelvoorkomende problemen, of gebruik onze assistent om sneller informatie in de handleiding te vinden of uitleg te krijgen over specifieke functies.
Productinformatie
| Merk | Legrand |
| Model | Ensto Pro EVF200 |
| Categorie | Niet gecategoriseerd |
| Taal | Nederlands |
| Grootte | 4463 MB |

