JET JWL-1221VS handleiding

32 pagina's
PDF beschikbaar

Handleiding

Je bekijkt pagina 31 van 32
31
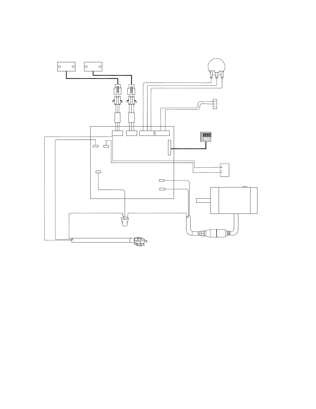
17.0 Electrical Connections
N
L
M-
M+
MOTOR
WHITE
BLACK
GREEN
GND
PRINTED CIRCUIT BOARD
S-S
M-S
VR
LI-SW
VR
POTENTIOMETER
SENSOR MOTOR
SENSOR SPINDLE
FWD/REV
Switch
Run/Stop
Switch
BLACK
WHITE
GREEN
GREEN
BLUE(CW)
RED (V+)
Digital
Readout

Bekijk gratis de handleiding van JET JWL-1221VS, stel vragen en lees de antwoorden op veelvoorkomende problemen, of gebruik onze assistent om sneller informatie in de handleiding te vinden of uitleg te krijgen over specifieke functies.

Productinformatie

MerkJET
ModelJWL-1221VS
CategorieNiet gecategoriseerd
TaalNederlands
Grootte6365 MB